EasyManua.ls Logo

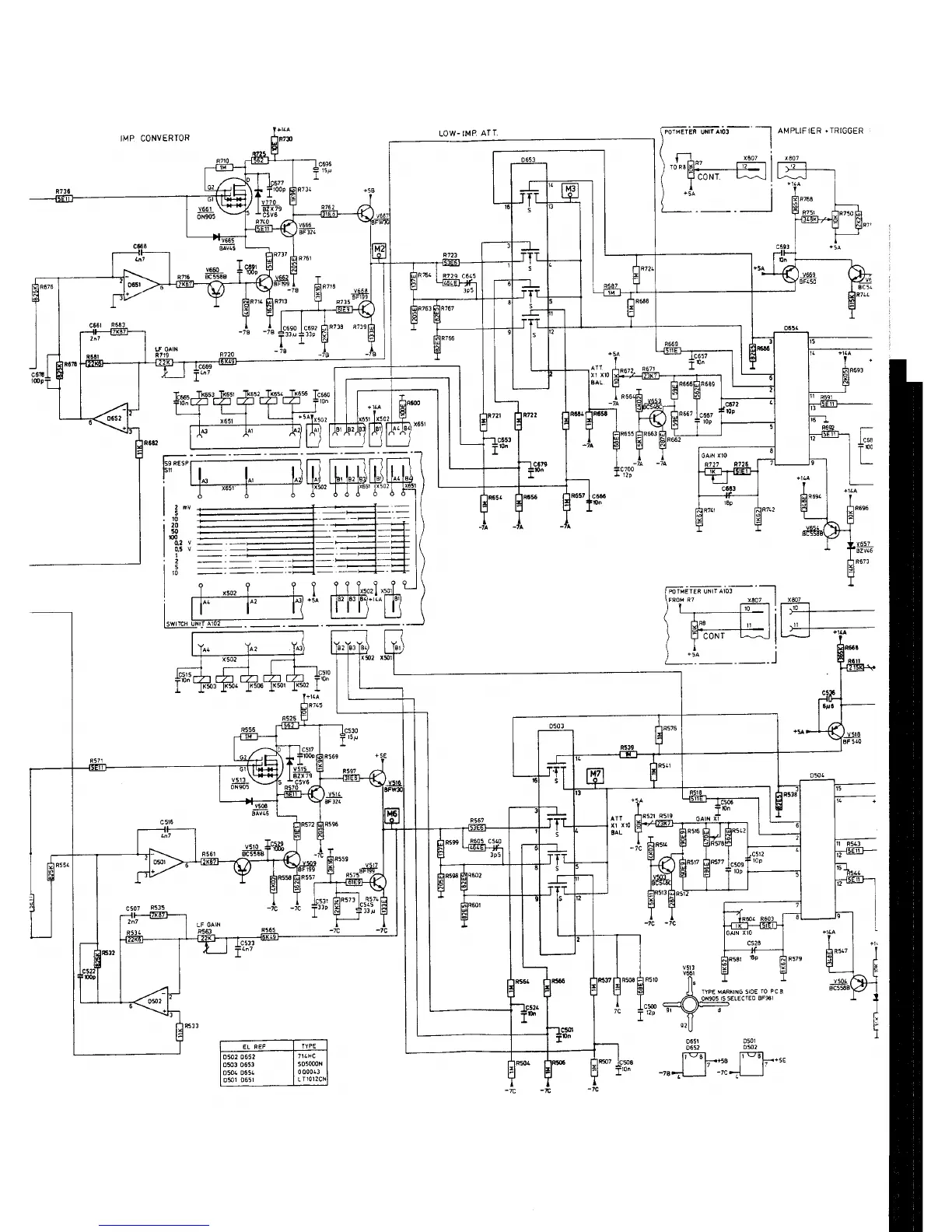
Philips PM 3256 - Amplifier, Trigger, and Z-Amplifier Diagrams

Philips PM 3256
225 pages
Print Icon
To Next Page IconTo Next Page
To Next Page IconTo Next Page
To Previous Page IconTo Previous Page
To Previous Page IconTo Previous Page
Loading...

Related product manuals