EasyManua.ls Logo

Philips PM 3256U - Circuit diagram main time-base

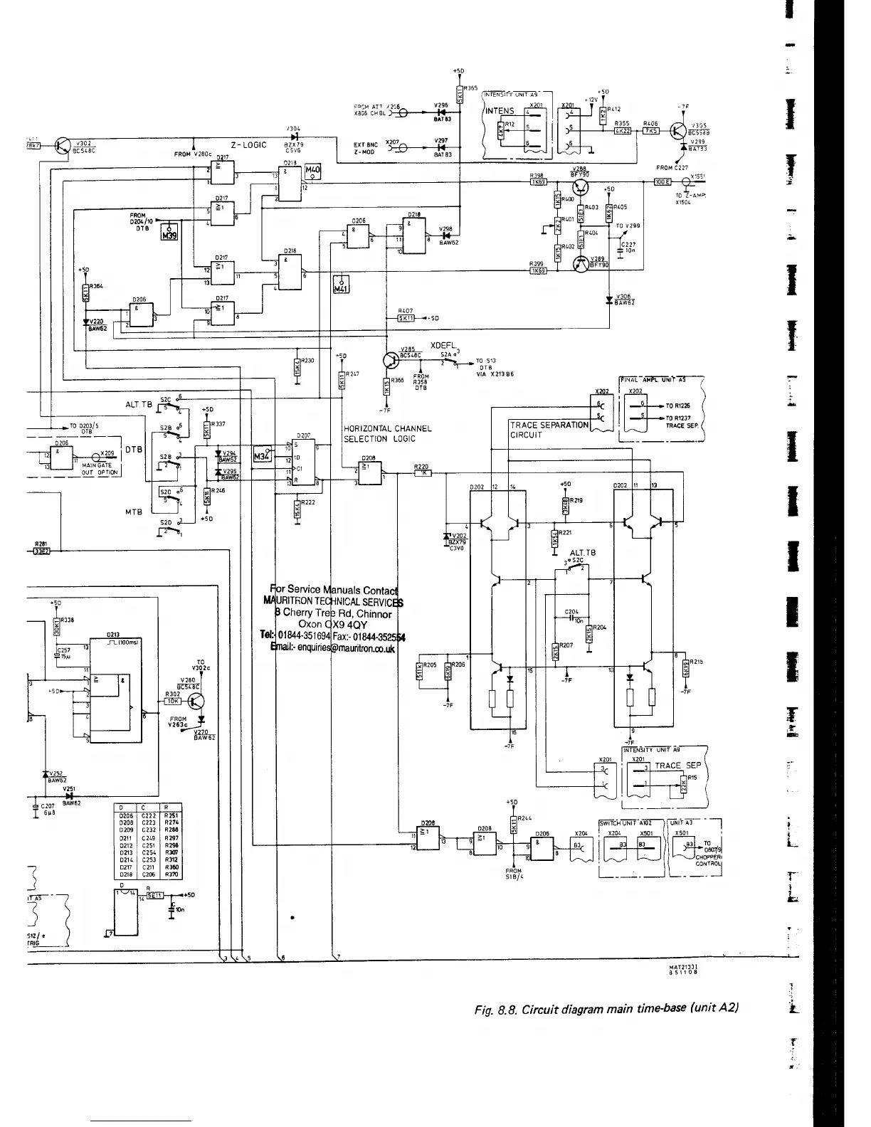
Philips PM 3256U
225 pages
Print Icon
To Next Page IconTo Next Page
To Next Page IconTo Next Page
To Previous Page IconTo Previous Page
To Previous Page IconTo Previous Page
Loading...

Related product manuals