EasyManua.ls Logo

Philips PM 3266 - Page 89

Philips PM 3266
274 pages
Print Icon
To Next Page IconTo Next Page
To Next Page IconTo Next Page
To Previous Page IconTo Previous Page
To Previous Page IconTo Previous Page
Loading...
94
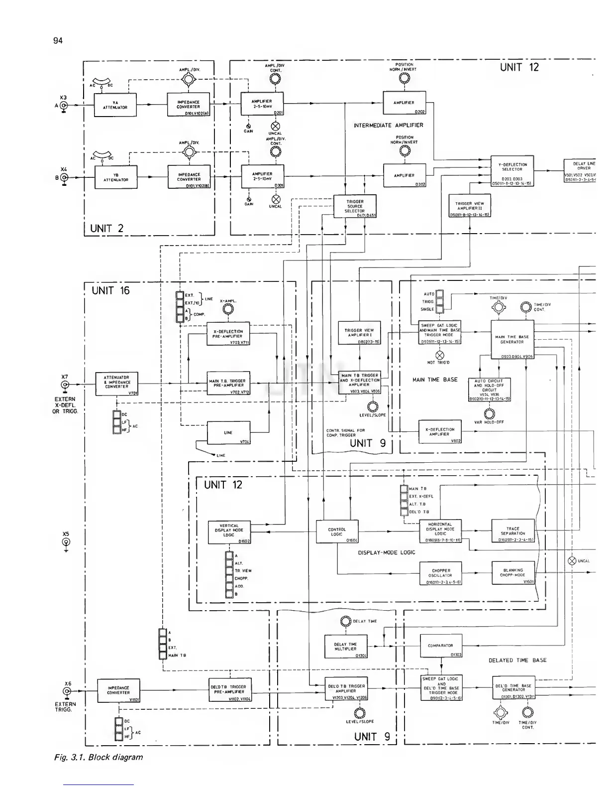
Fig.
3.
1.
Block
diagram

Related product manuals