EasyManua.ls Logo

Philips PM 3266 - Page 91

Philips PM 3266
274 pages
Print Icon
To Next Page IconTo Next Page
To Next Page IconTo Next Page
To Previous Page IconTo Previous Page
To Previous Page IconTo Previous Page
Loading...
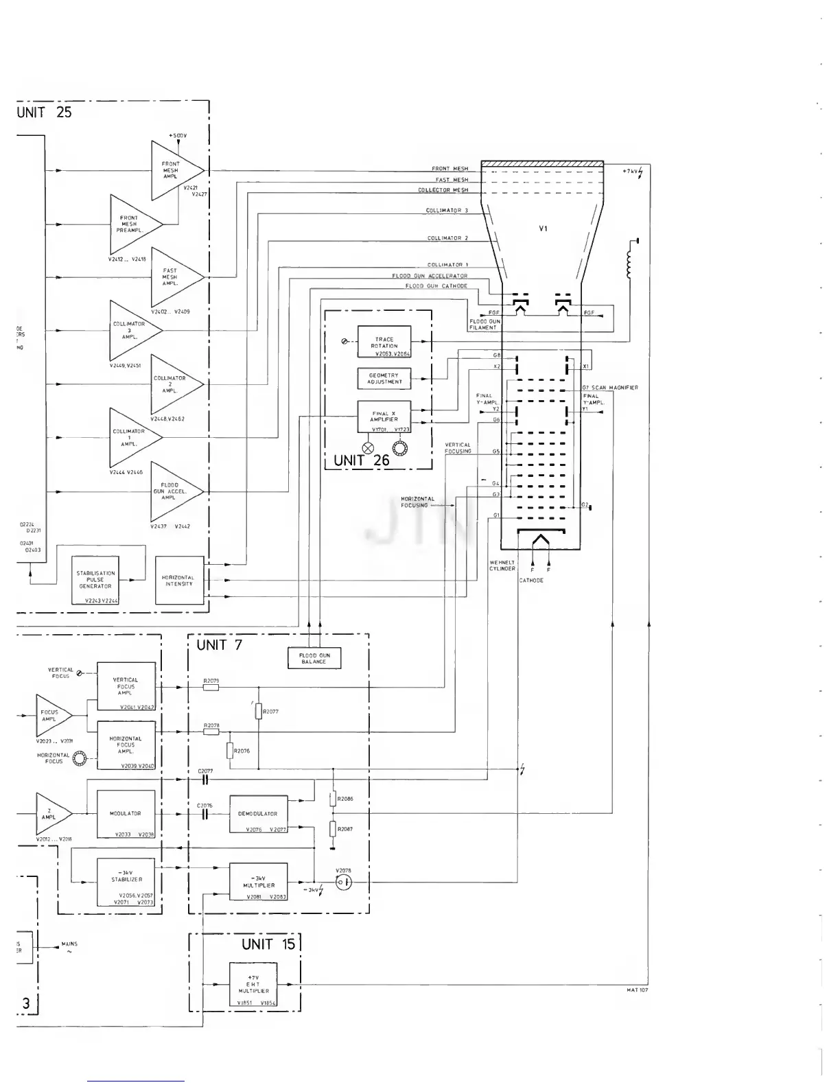
UNIT 25
TRACE
ROTATION
V?063.v206t
STABILISATION
PULSE
GENERATOR
UNIT 7
MULTIPLIER
VIBS1
V1BS4

Related product manuals