EasyManua.ls Logo

Philips PM2519 - Page 27

Philips PM2519
126 pages
Print Icon
To Next Page IconTo Next Page
To Next Page IconTo Next Page
To Previous Page IconTo Previous Page
To Previous Page IconTo Previous Page
Loading...
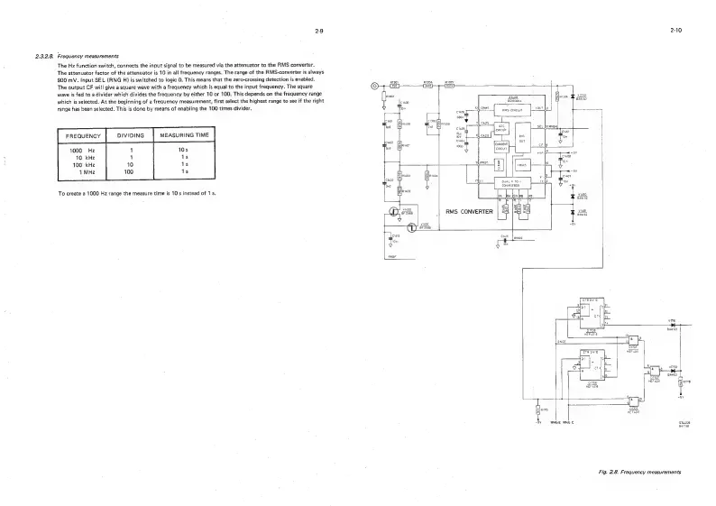
2.3.2.8.
Frequency
measurements
The
Hz
function
switch,
connects
the
input
signal
to
be
measured
via
the
attenuator
to
the
RMS
converter.
The
attenuator
factor
of
the
attenuator
is
10
in
all
frequency
ranges.
The
range
of
the
RMS-converter
is
always
900
mV.
Input
SEL
(RNG
H)
is
switched
to
logic
0.
This
means
that
the
zero-crossing
detection
is
enabled.
The
output
CF
will
give
a
square
wave
with
a
frequency
which
is
equal
to
the
input
frequency.
The
square
wave
is
fed
to
a
divider
which
divides
the
frequency
by
either
10
or
100.
This
depends
on
the
frequency
range
which
is
selected.
At
the
beginning
of
a
frequency
measurement,
first
select
the
highest
range
to
see
if
the
right
range
has
been
selected.
This
is
done
by
means
of
enabling
the
100
times
divider.
DIVIDING
MEASURING
TIME
To
create
a
1000
Hz
range
the
measure
time
is
10
s
instead
of
1
s.
FREQUENCY
1000
Hz
10
kHz
100
kHz
1MHz
RMS
CONVERTER
1304
1305
sz}
7a
1302
‘A100
islaisos
J
S50
Aes
R
AW
6?
tes
;
Bn
5
tout
cikgs:
RMS
CIRCUIT
Out
43
pe
rey
5800
cul
fy
€:302
fx
=
Ie
1200
a
[Blrssos
33
|S
Toa
IS
AC
SEL
hoRNGH|
C1605,
caRcuit
cu
dG
10n
1
our
acne
cuRRENT
|
cr
|e
3p
CIRCUIT
fc
+vP
aa
+9V
1408
&
ion
g
a
181s
ne
J
z
a
-9V
vé&
1407
thos
DUAL
V
TO
1
2)
Aa
CONVERTER
+9v
2-10
vi7st
1706
HEF
4518
4,
32
CTR
DIV
10
"
21
0
+
|
2|
GAS
PEP
01706
HEF
4518
07707
HEF
4011
a
R15
-9
RNGE
RNG
C
v0?
HEF
Zn
e
Te
C107
HEF
AOH
BAW
62
5
4
¥I750
BAWEZ
FE|Rr716
ry
“5
ST4405
841101
Fig.
2.8.
Frequency
measurements

Related product manuals