EasyManua.ls Logo

Philips PM2519 - 3.3. PART A

Philips PM2519
126 pages
Print Icon
To Next Page IconTo Next Page
To Next Page IconTo Next Page
To Previous Page IconTo Previous Page
To Previous Page IconTo Previous Page
Loading...
9
m
3-5
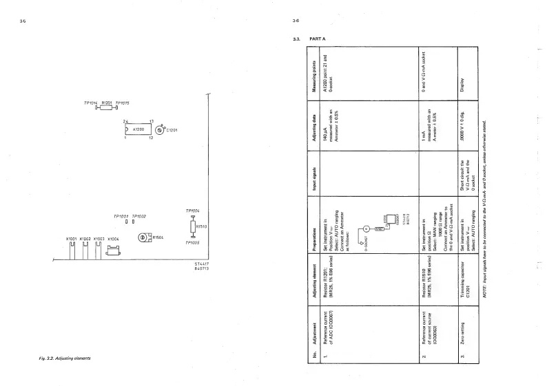
PARTA
3.3.
“parels
asimsay}O
SSafuN
“JayIOS
Q
PUR
-YUL-75-f,
BY}
0}
pajIauUOD
aq
0}
aney
SjeuBis
jnduj
:FLON
JBy90S
O
Sulbues
OLN
7293128
ay)
pue
WW-Zy-A
=A
uolsod
“BIP
0
+
A
0000"
OY}
HNDAID
LOUS
Uj
JUBLUNATSU!
18S
10219
doyedeo
Burm
|
Aejdsiq
Bunjas
o1aZ
3@y90S
YWU-75-A
Pur
Q
ayy
O}
Ja]aWUUYy
UB
JBBULOD,
aBues
75
OOO
%G'O
F
Jaou-y
BurBues
NY
2398/3
(€90000)
ue
YJIAA
paunseaw
Z
uonisod
|
(sauas
963
%L
‘GZHIN}
Sd4NOS
JUdAIND
JO
9908
WU-75-A,
Ue
GO
yu
Ul
JUaWUNYSUI
}ag
OLGLY
Jo3sIsoy
quand
aoualajyey
12078
BI771S
£90000
(v)
13490S-0
sSMO}{O}
SE
Jajawiwiy
ue
euU0d
fuibues
OINY
7199185
A
UONISOg
ul
YUSLUN}SU!
19S
%G'0
F
Jo}
1284908-Q
ue
YIM
painseaus
pue
LZ
lod
ONZLV
vi
Opt
sjutod
Burinseayy
eqep
Guysnipy
sjeuBis
ynduj
|
suns
(Salas
963
%L
‘GZUIN)
‘LOZLY
s03sisay
quawaje
Bunsnipy
quauysnipy
"ON
(£90000)
Dav
quadnd
aouasajay
L
R1510
TP1004
TP1005
ST4417
840713
C1201
TP1015
24
13
A1200
Oj
12
TP1001
TP1002
00
Orn
[J
fi
fies
X1001
X1002
X1003
x1004
|
et
Fig.
3.2.
Adjusting
elements

Related product manuals