EasyManua.ls Logo

Philips VE8 - Page 138

Philips VE8
140 pages
Print Icon
To Next Page IconTo Next Page
To Next Page IconTo Next Page
To Previous Page IconTo Previous Page
To Previous Page IconTo Previous Page
Loading...
Circuit Descriptions, Abbreviation List, and IC Data Sheets
EN 139Q529.1A LA 9.
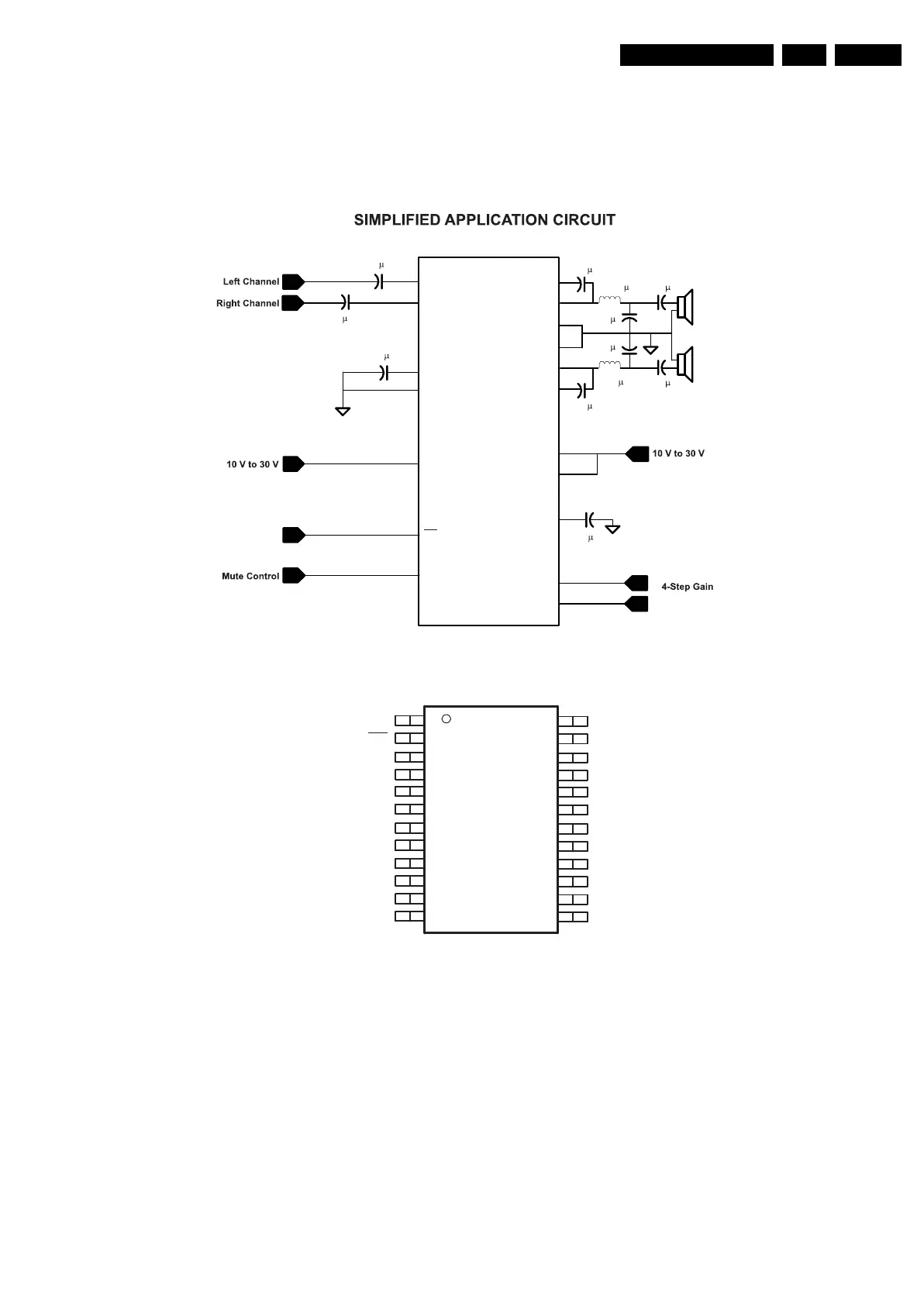
9.8.7 Diagram B10A, TPA3120D2 (IC 7D10)
Figure 9-16 Internal block diagram and pin configuration
1F
SD
PVCCL
TPA3120D2
PVCCR
VCLAMP
GAIN1
BYPASS
1F
1F
0.22 F
AGND
}
Control
Shutdown
Control
LIN
RIN
BSR
BSL
PGNDR
PGNDL
0.22 F
22 H
22 H
0.68 F
470 F
0.68 F
1F
470 F
GAIN0
AVCC
MUTE
ROUT
LOUT
1
2
3
4
5
6
7
8
9
10
11
12
24
23
22
21
20
19
18
17
16
15
14
13
PVCCL
SD
PVCCL
MUTE
LIN
RIN
BYPASS
AGND
AGND
PVCCR
VCLAMP
PVCCR
PGNDL
PGNDL
LOUT
BSL
AVCC
AVCC
GAIN0
GAIN1
BSR
ROUT
PGNDR
PGNDR
PWP (TSSOP) PACKAGE
(TOP VIEW)
I_17660_147.eps
180308
Block Diagram
Pin Configuration

Related product manuals