EasyManua.ls Logo

Philips VE8 - Page 64

Philips VE8
140 pages
Print Icon
To Next Page IconTo Next Page
To Next Page IconTo Next Page
To Previous Page IconTo Previous Page
To Previous Page IconTo Previous Page
Loading...
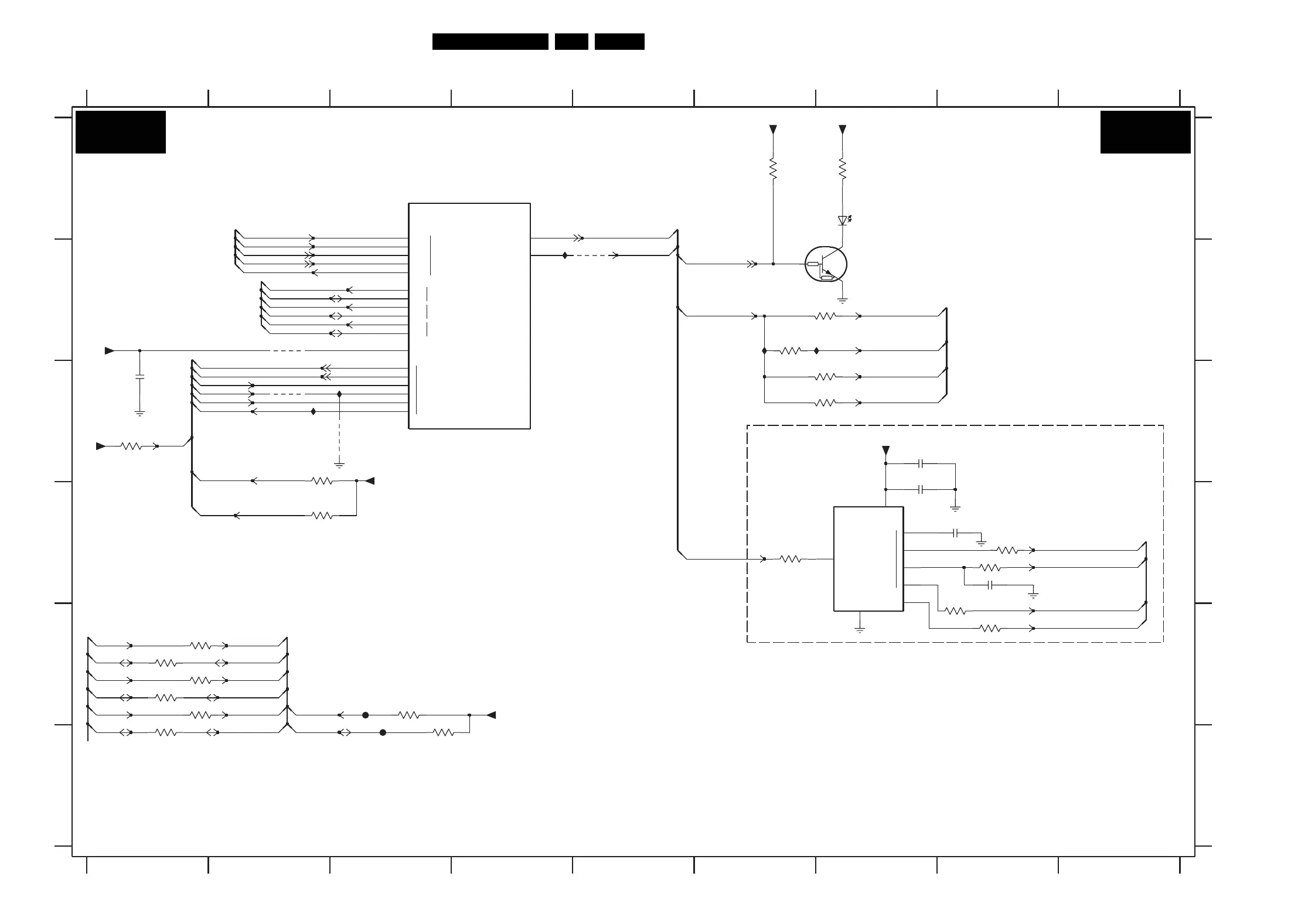
64Q529.1A LA 7.
Circuit Diagrams and PWB Layouts
SSB: PNX8541: Control
2
1
CLKOUT
3
CLK
VDD
4
GND
REF
1
2
3
4
5
27MHz_OUT
RESET_SYS
GPIO
I2C1
I2C2
I2C3
EJTAG
SDA
SCL
TDO
TRST
TMS
TCK
TDI
SCL
SDA
SCL
SDA
VPP_ID
0
3HPM F3
6HF0 A7
7H00-4 A3
7HF1 D7
7HF2 B7
9HF8 B2
9HG1 C2
9HG2 C3
FH04 E3
FH05 F3
IHF0 B6
IHF5 B7
IHF7 C3
IHS7 B4
IHS8 C2
2HF7 D8
2HF8 D8
3H11 D2
3HF0 B5
3HF2 C7
3HF3 A7
3HF4 C7
3HF9 A6
3HFG B7
3HFH B6
3HFK D8
3HFM E8
3HFN E8
3HFP D8
3HFR D6
3HFY C2
3HP8 C1
3HPD E1
3HPE E1
3HPF E1
3HPG E1
3HPH E1
3HPJ F1
3HPK E3
5678 9
A
B
C
D
E
F
A
B
C
D
E
F
RESERVED
PNX8541: CONTROL
123 45678 9
123 4
100R
2HF2 C1
2HF5 C7
2HF6 D7
3HPG
+3V3-PER
3HFK
33R
3HFP
33R
10p
2HF7
10n
2HF5
3HPH
100R
IHF5
3HFR
33R
IHF0
AJ27
AJ26
AJ2
AK1
AK2
AK3
AJ3
AE27
G27
E27
D28
AK27
AH27
AK29
AK28
AJ28
7H00-4
PNX8541
AK26
T1
T2
T3
MIPS C0NTROL
+3V3-PER
100n
2HF6
IHF7
100R
1
6
3HPJ
3
2
5
7
8
4
DELAY
ZERO
Φ
BUFFER
CY2305S
7HF1
100R
3HPD
10K
3HFY
FH05
3HPF
100R
100R
3HPE
+3V3-PER
3HF4
22R
+1V2-PNX8541
22R
3HFG
3HFN
33R
IHS7
3HFH
10R
3HPK
2K2
6HF0
SML-310
10K
3HP8
+3V3-PER
15p
2HF8
9HG2
RES
9HF8
7HF2
PDTC114EU
3H11
10K
+3V3-PER
9HG1
3HF3
330R
IHS8
33R
3HFM
+3V3-PER
22R
3HF2
3HF9
10K
FH04
2K2
3HPM
9HG3
100n
2HF2
PCI-CLK-ETHERNET
IRQ-CA
SDA-SSB
SCL-SSB
IRQ-PCI
RESET-SYSTEM
SDA3SDA-SSB
BOOTMODE
PCI-CLK-ETHERNETPCI-CLK-OUT
PCI-CLK-PNX5100
PCI-CLK-PNX8535
PCI-CLK-USB20_ETH
PCI-CLK-OUT
PCI-CLK-PNX8535
PCI-CLK-PNX5100
PCI-CLK-USB20_ETH
IRQ-PCI
WC-EEPROM-PNX5100
BOOTMODE
PCI-CLK-OUT
RESET-SYSTEM
SCL1 SCL-UP-MIPS
SDA1 SDA-UP-MIPS
SCL2 SCL-UP-MIPS
SDA2 SDA-UP-MIPS
SCL3SCL-SSB
SCL1
SCL2
SCL3
SDA1
SDA2
SDA3
EJTAG-TCK
EJTAG-TDI
EJTAG-TDO
EJTAG-TMS
EJTAG-TRSTN
TXD-MIPS
RXD-MIPS
IRQ-CA
3139 123 6214.4
I_17660_017.eps
110308
B04E
B04E

Related product manuals