EasyManua.ls Logo

Philips VE8 - Page 82

Philips VE8
140 pages
Print Icon
To Next Page IconTo Next Page
To Next Page IconTo Next Page
To Previous Page IconTo Previous Page
To Previous Page IconTo Previous Page
Loading...
82Q529.1A LA 7.
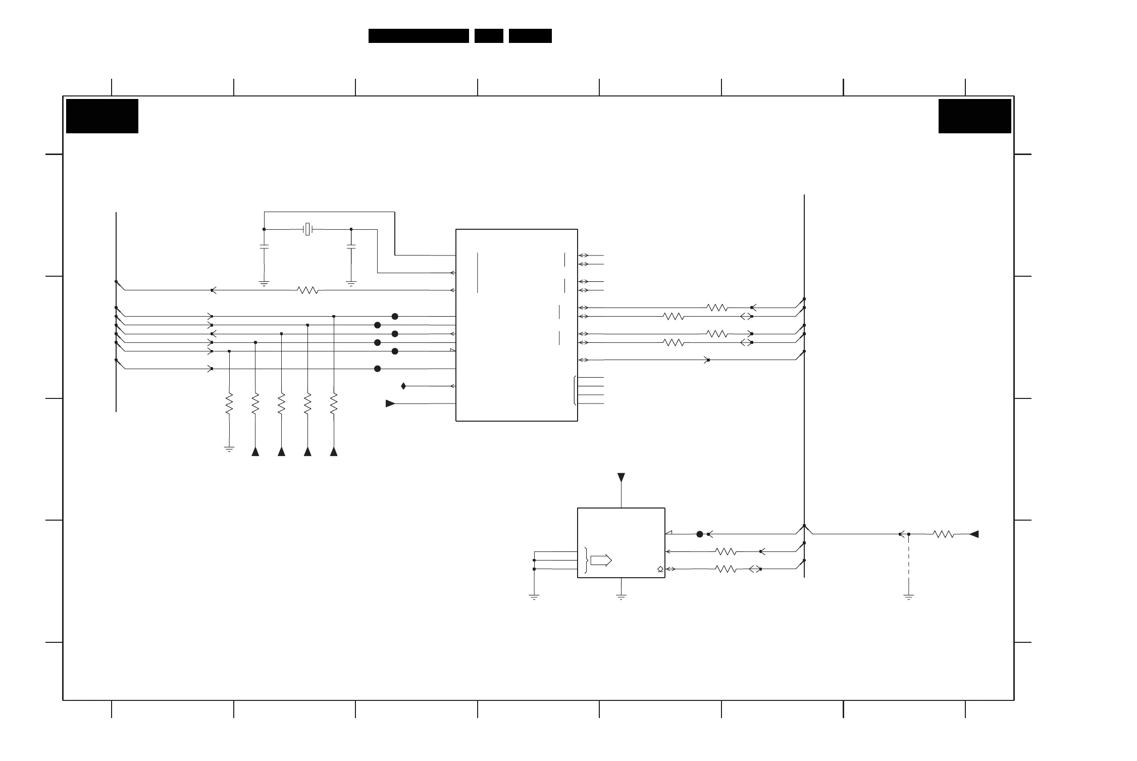
Circuit Diagrams and PWB Layouts
SSB: PNX5100: Control
TDI
TDO
RESET_SYS
SDA
SCL
SDA
SCL
RX
TX
RX
TX
XTAL
UA1
UA2
1
2
TMS
TRST
NC
RESET_IN
OUT2
OUT
IN
VPP_ID
OBSERVE
TCK
SCL
ADR
0
1
2 SDA
WC
A
B
C
D
1CD0 A2
2CD0 A2
2CD1 A2
3CD0 B2
3CD1-1 C2
3CD1-2 C2
3CD1-3 C2
3CD1-4 C1
3CD2 C2
3CD7 B5
3CD8 B5
67
123 4567
A
B
C
D
only for DEBUG
123 45
C08 OR C16
FCD6 D5
FCD8 B3
ICD8 B3
3CD9 B5
3CDA B5
3CDB D7
3CDC D6
3CDD D6
PNX5100: CONTROL
7C00-1 A3
7CD0 C4
9CD0 D7
FCD0 B3
FCD1 B3
FCD2 B3
FCD3 B3
FCD4 B3
3CDC
100R
3CD1-3
10K
ICD8
+3V3
27M
1CD0
2CD0
27p
+3V3
FCD8
100R
3CD0
3CD2
10K
3CDD
100R
3CD8
+3V3 +3V3
100R
FCD3
3CDB
+3V3
+3V3
4K7
3CD7 100R
AD8
AC8
AB21
AE13
AF13
AF14
K2
L2
K1
L1
H4
H2
H3
J1
J2
AF8
AE8
G22
H22
W22
Y22
R1
AF24
AD12
PNX5100E
7C00-1
Φ
CONTROL
27p
2CD1
FCD1
FCD2 3CD9 100R
RES
FCD4
RES
4
7
100R3CDA
7CD0
M24C16-WDW6
1
2
3
6
5
8
(2Kx8)
Φ
EEPROM
+3V3
FCD6
FCD0
10K
3CD1-4
3CD1-1
10K
10K
3CD1-2
9CD0
SCL-SSB
WC-EEPROM-PNX5100
SCL-SSB
SDA-SSB
WC-EEPROM-PNX5100
SDA-SSB
SCL-DISP
SDA-DISP
RESET-PNX5100
PNX5100-RST-OUT
EJTAG-PNX5100-TRSTn
CLK-OUT-PNX5100
EJTAG-PNX5100-TCK
EJTAG-PNX5100-TDI
EJTAG-PNX5100-TDO
EJTAG-PNX5100-TMS
3139 123 6214.4
I_17660_034.eps
110308
B05F
B05F

Related product manuals