EasyManua.ls Logo

Philips VE8 - Page 84

Philips VE8
140 pages
Print Icon
To Next Page IconTo Next Page
To Next Page IconTo Next Page
To Previous Page IconTo Previous Page
To Previous Page IconTo Previous Page
Loading...
84Q529.1A LA 7.
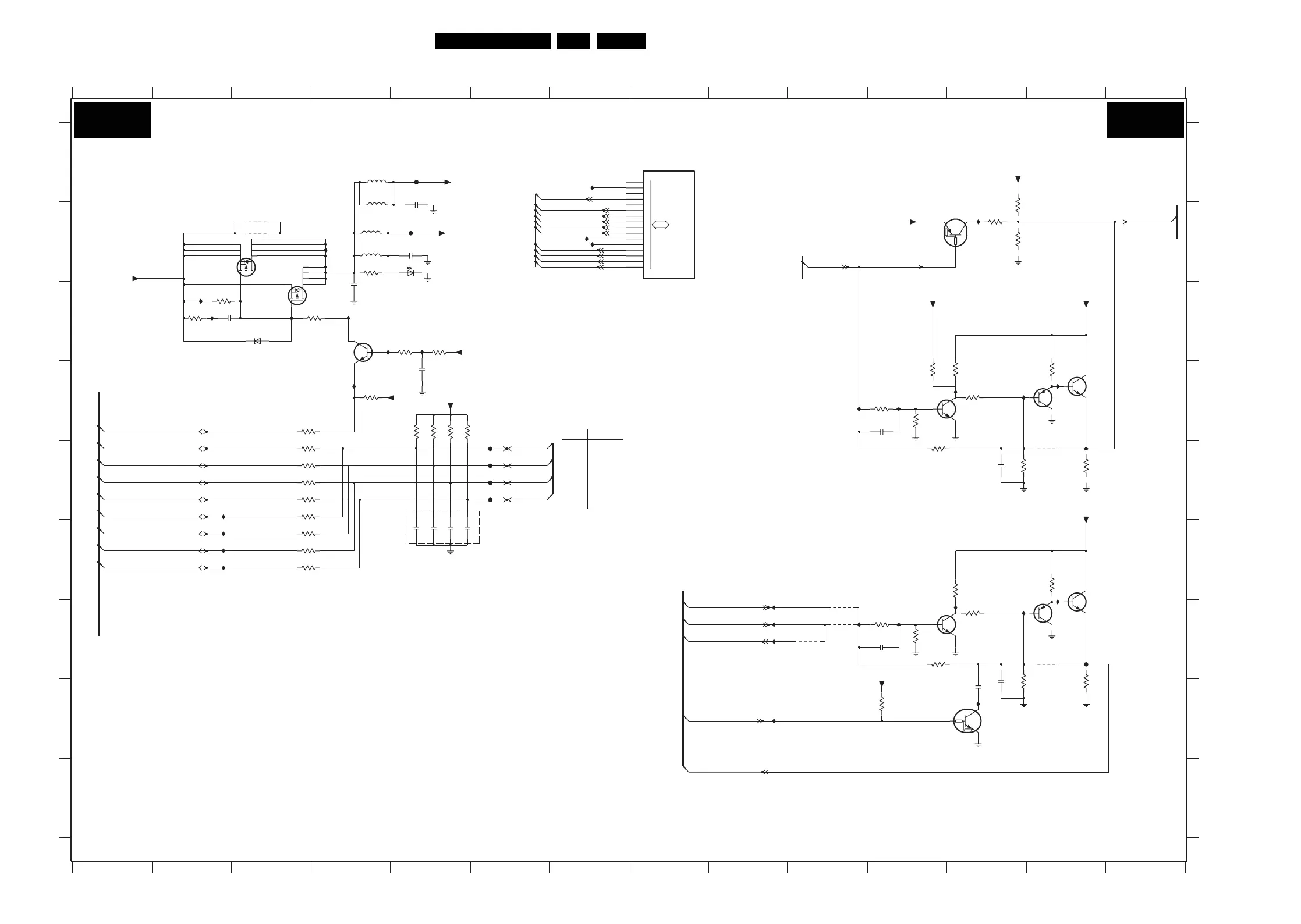
Circuit Diagrams and PWB Layouts
SSB: PNX5100: Display Interfacing
GPIO
0
12
11
10
9
8
7
6
5
4
3
2
1
13
14
15
PDWN
I
A
B
C
D
IRQ
RESET
123 45678
FHP
CPU-GO
2 3 456
PDP-GO
E
F
G
H
I
2CG0 A5
2CG1 B5
8 910111213 14
A
B
C
D
E
F
G
H
WIRE BRIDGE
9 10111213 14
1
PNX5100: DISPLAY-INTERFACING
CAPACITOR OR
2CG2 C4
2CG3 C2
2CG4 D5
2CG5 F5
2CG6 F5
2CG7 F5
2CG8 F5
2CGB H12
2CGC H12
2CGD G11
2CH0 D11
7
2CH1 E12
3CG0-2 C5
3CG0-3 C5
3CG0-4 C4
3CG1 C2
3CG5 D4
3CG6 D5
3CG7 D5
3CG8 D5
3CG9 D5
3CGA D3
3CGB E3
3CGC E3
3CGD E3
SDI
3CGH F3
3CGJ F3
3CGN H11
3CGP H12
3CGR H13
3CGS G12
3CGT F12
3CGV F13
3CGZ B12
3CH0 B12
3CH1 B12
3CH2 B4
3CH3 G11
3CH4 G11
3CH5 G11
RESERVED
3CH7 C2
3CH8 D11
3CH9 D12
3CHA D13
3CHB D12
3CHC D11
3CHD D11
3CHE E11
3CHF E12
3CHG E13
5CG0 A4
5CG1 A4
3CGE E3
3CGF E3
3CGG F3
7CH0 D12
7CH1-1 D13
7CH1-2 D13
9CG0 B3
9CG1 B3
9CG4 G13
9CG6 G10
9CG7 G10
9CG8 G10
9CH0 E13
FCG0 A5
FCG1 B5
FCG2 E6
FCG3 E6
FCG4 E6
NOTE : CAN BE
VDISP-SWITCH
ICG1 C4
ICG2 C2
ICG3 C2
ICG4 C4
ICG5 D4
ICG6 C5
ICG7 E2
ICG8 F2
ICG9 F2
ICGA F2
ICGH H12
ICGK F13
ICGM G12
ICGN G11
ICGP G11
ICGR G10
ICGV B7
ICGW C3
ICGY B12
5CG2 B4
5CG3 B4
6CG0 C3
6CG2 B5
7C00-3 A8
7CG0 B2
7CG1 B3
7CG2 C4
7CG4 H12
7CG5 G12
7CG6-1 G13
7CG6-2 G13
7CG8 B12
ICGZ B7
ICH0 G9
ICH1 G9
ICH2 G9
ICH3 H9
ICH4 A7
ICH5 D10
ICH6 D11
ICH7 D11
ICH8 D12
ICH9 D13
ICHA E13
FCG5 E6
FCG6 G13
ICG0 B4
FCG1
SI4835BDY
7CG0
RES
AF26
C24
C26
B25
B26
A26
A25
A24
7C00-3
PNX5100E
Φ
GPIO
AE24
AF25
B24
A23
B23
C23
B22
C22
RES
3CGD
47R
4K7
3CG5
ICH9
ICH8
100p
2CG6
RES
3CH9
27K
RES
3CHF
15K
RES
9CH0
1K0
3CHG
9CG1
ICG8
5CG3
RES
47R RES
220R
3CGF
ICH4
ICG0
47R
ICGZ
3CG1
ICG9
9CG7
FCG6
ICG5
1
2CH1
1u0
RES
BC847BPN
7CH1-1
2
6
7CH0
1
3
2
2CG5
100p
RES
BC847BW
ICGA
47R
3CGE
ICHA
RES
100n
2CG4
+VDISP2
ICG7
2CGB
1u0
3CGN
10K
RES
6
3CG0-3
47K
3
+12VD
+3V3
ICH2
ICH3
3CGR
1K0
ICH0
ICH1
ICH6
+12VD
ICH5
220R
ICH7
+3V3
5CG0
5CG1
220R
2CG2
+3V3
ICGP
RES
22u
47K
3CG0-2
27
47R RES
3CG7
3CH1
10K
RES
9CG0
RES
ICGH
6CG0
BZX384-C5V6
RES47R
3CGJ
ICG1
47K
3CH7
RES47R
3CGC
4K7
RES
3CHC
9CG4
RES
3CHB
12K
RES
3CGH
47R
5
3
4
RES
BC847BPN
7CH1-2
ICGM
100n
2CG1
RES
47R
3CG6
54
9CG8
3CG0-4
47K
3CGA
100R
7CG2
BC847BW
1
3
2
+3V3
3CH8
10K
+12VD
RES
470p
2CH0
3CHA
47K
RES
3CHD
2K2
3CHE
1K0
47K
3CGV
RES47R
3CGG
SI3441BDV
7CG1
100n
ICG6
FCG2
2CG0
1K0
3CH4
RES10K
3CG9
RES
FCG3
2CGD
470p
RES
PDTC114EU
7CG4
15K
3CGP
RES
ICGW
10K
3CGZ
RES
ICG3
100p
2CG8
2
6
1
SML-310
7CG6-1
BC847BPN
6CG2
2CG3
1u0
ICGY
FCG5
3CH2
9CG6
2K2
100R
3CH0
3CH5
RES
ICGV
4K7
3CH3
RES
2K2
FCG0
+3V3
ICGR
5CG2
+VDISP1
220R
RES
1u0
2CGC
ICG4
ICG2
FCG4
ICGK
ICGN
+3V3
RES
3CG8
47R
RES
BC847BW
RES
1
3
2
12K
3CGS
7CG5
3
4
2CG7
100p
7CG6-2
BC847BPN
5
27K
3CGT
RES
3CGB
47R
+3V3
RES
7CG8
PDTA114EU
BACKLIGHT-CONTROL-FPGA-OUT
BACKLIGHT-CONTROL-FPGA-IN
BACKLIGHT-CTRL
CONTRAST-GAIN
FAN-CTRL-1
FAN-CTRL-2
BOOST-CTRL
BACKLIGHT-BOOST
CTRL-DISP2
CTRL-DISP4
CTRL-DISP3
BACKLIGHT-PWM-ANA-SSB
CTRL4-PNX5100
CTRL3-PNX5100
CTRL2-PNX5100
CTRL1-PNX5100
BACKLIGHT-PWM-ANA-SSB
LCD-PWR-ON
BACKLIGHT-PWM-ANA-DISP
BACKLIGHT-CTRL
BOOST-CTRL
CTRL1-PNX5100
CTRL-DISP1
CTRL2-FPGA
CTRL3-FPGA
CTRL4-FPGA
CTRL1-FPGA
CTRL2-PNX5100
CTRL3-PNX5100
CTRL4-PNX5100
BACKLIGHT-OUT
LCD-PWR-ON
3139 123 6214.4
I_17660_036.eps
110308
B05H
B05H

Related product manuals