EasyManua.ls Logo

Philips VR140/02 - Page 29

Philips VR140/02
92 pages
Print Icon
To Next Page IconTo Next Page
To Next Page IconTo Next Page
To Previous Page IconTo Previous Page
To Previous Page IconTo Previous Page
Loading...
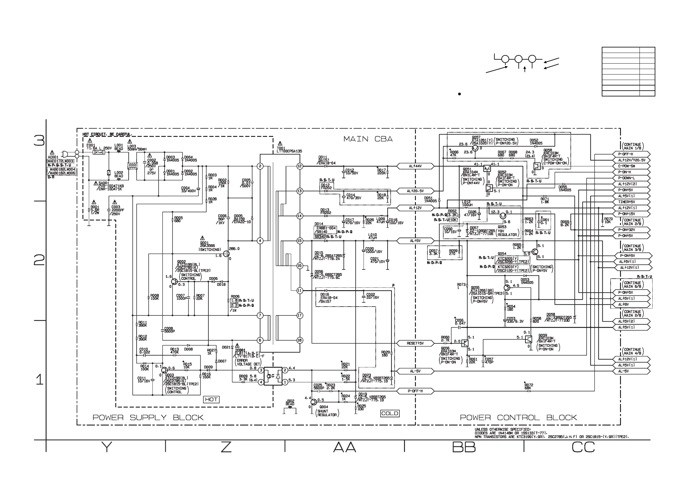
NOTE :
The voltage for parts in hot circuit is measured using
hot GND as a common terminal.
1-10-44
1-10-45
HE270SCM5
Main 5/8 Schematic Diagram
THE SAME VOLTAGE FOR
BOTH PLAY & REC MODES.
INDICATES THAT THE VOLTAGE
IS NOT CONSISTENT HERE.
MODE: SP/REC
PLAY MODE
REC MODE
1
2
3
5.0
5.0
(2.5)
~
ā€œ ā€œ = SMD
CAUTION !
For continued protection against fire hazard,
replace only with the same type fuse.
CAUTION !
Fixed voltage ( or Auto voltage selectable ) power supply circuit is used in this unit.
If Main Fuse (F1001) is blown, check to see that all components in the power supply
circuit are not defective before you connect the AC plug to the AC power supply.
Otherwise it may cause some components in the power supply circuit to fail.
Comparison Chart of
Models and Marks
MODEL MARK
VR140/02 N
VR140/07 O
VR140/39 P
VR140/58 Q
VR840/07 R
VR840/16 S
VR840/39 T
VR840/58 U