EasyManua.ls Logo

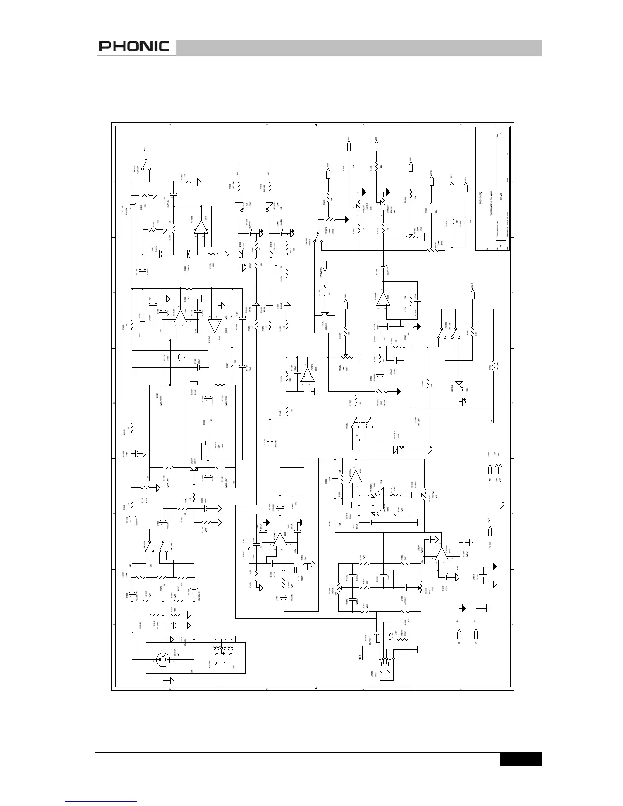
Phonic K12 - CHANNEL 4 CIRCUIT

Phonic K12
41 pages
Print Icon
To Next Page IconTo Next Page
To Next Page IconTo Next Page
To Previous Page IconTo Previous Page
To Previous Page IconTo Previous Page
Loading...
.6(59,&(0$18$/3+21,&&25325$7,21
3DJH
&+

Related product manuals