EasyManua.ls Logo

Phonic POWERPOD 620 - Page 26

Phonic POWERPOD 620
32 pages
Print Icon
To Next Page IconTo Next Page
To Next Page IconTo Next Page
To Previous Page IconTo Previous Page
To Previous Page IconTo Previous Page
Loading...
SDJH
32:(532'8VHUV0DQXDO 3+21,&&25325$7,21
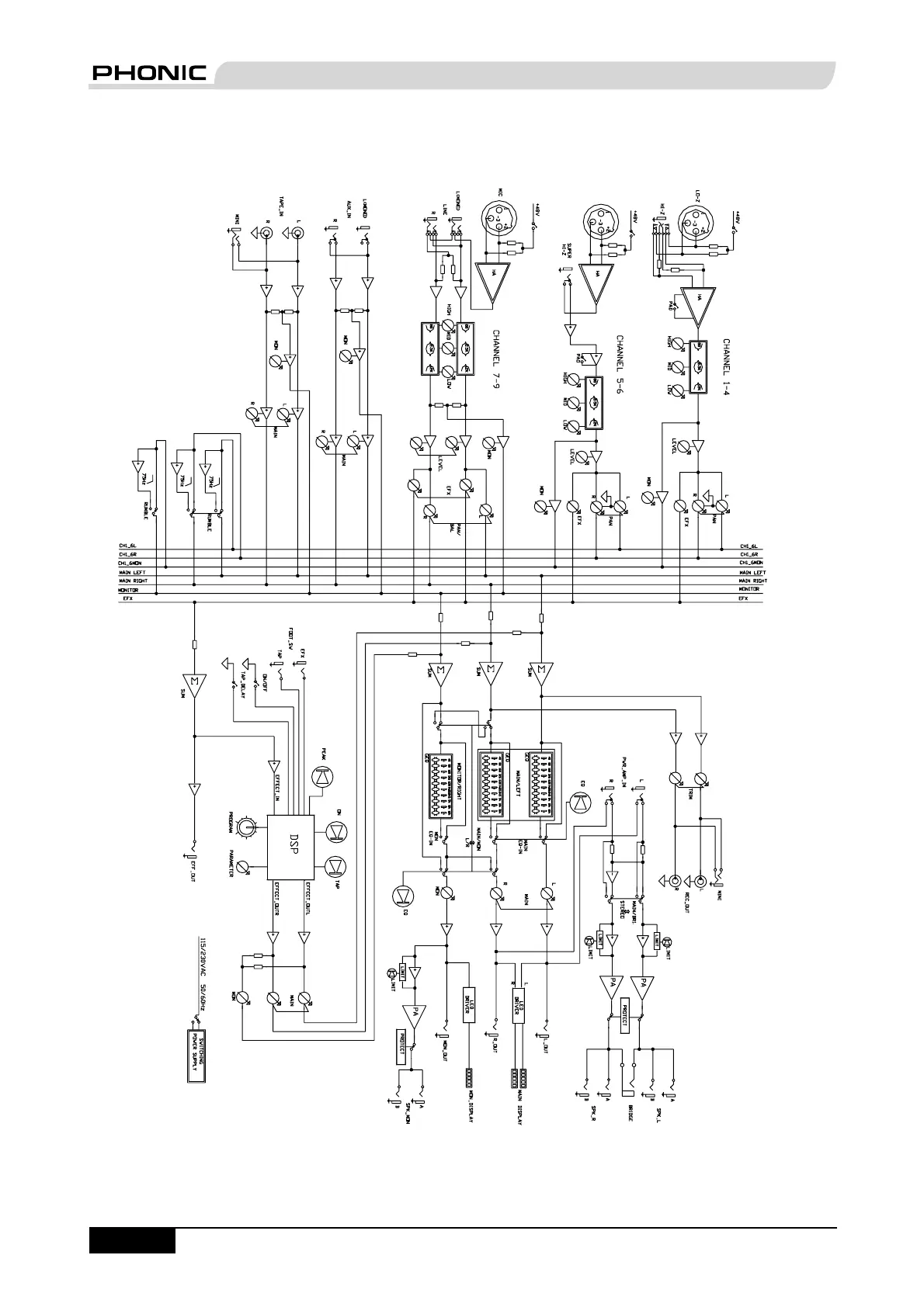
32:(532'%/2&.',$*5$0

Related product manuals