EasyManua.ls Logo

Phonocar VM022 - Page 12

Phonocar VM022
Print Icon
To Next Page IconTo Next Page
To Next Page IconTo Next Page
To Previous Page IconTo Previous Page
To Previous Page IconTo Previous Page
Loading...
12
FR
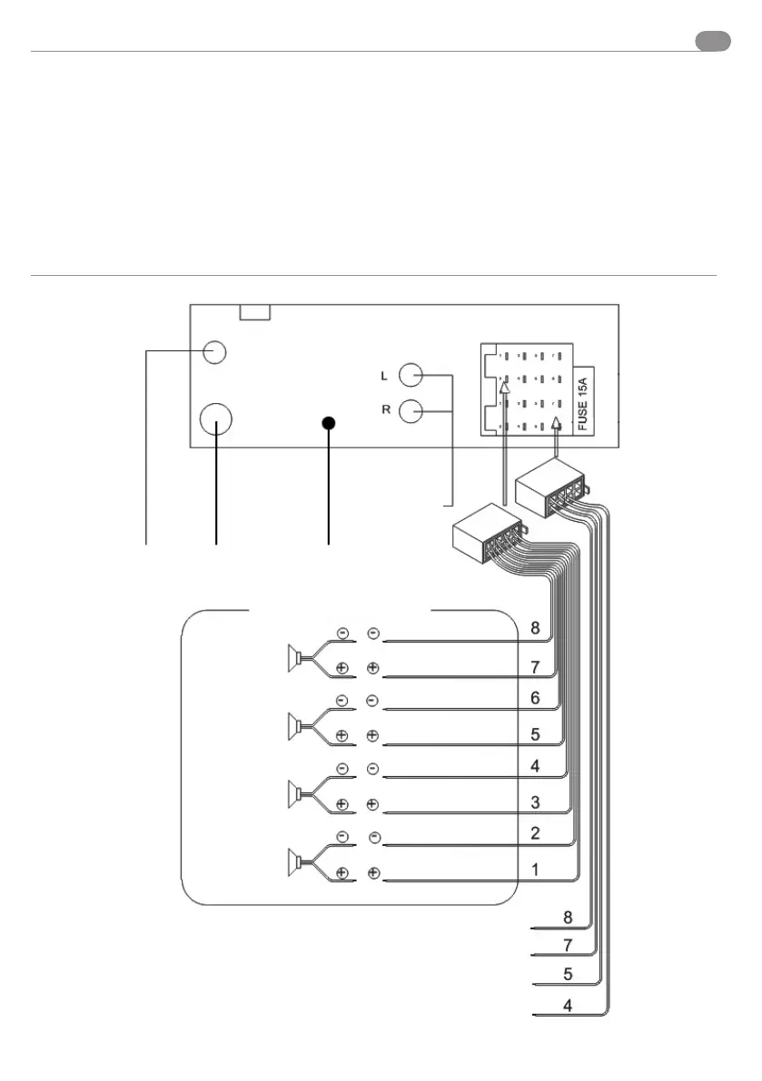
Branchements
Avertissements
ANTENNE
DAB
ANTENNE
FM-AM
4 -
HAUT-PARLEURS
VERT / NOIR
VERT
BLANC / NOIR
BLANC
GRIS / NOIR
GRIS
VIOLET / NOIR
VIOLET
NÉGATIF (NOIR)
+12V APRÈS CONTACT (ROUGE)
ALLUMAGE AMPLIFICATEUR / ANTENNE (BLEU)
+12V PERMANENT (JAUNE)
ARRIÈRE GAUCHE
AVANT GAUCHE
AVANT DROIT
ARRIÈRE DROIT
Se servir du personnel technique qualifié pour l’installation. • Utiliser uniquement dans des installations électriques
à 24/12V DC avec négatif à masse. • Débrancher le terminal négatif de la batterie lorsqu’on fait les connexions de
l’appareil. • Quand on remplace un fusible, se servir d’un autre ayant le même ampérage. • Ne pas ouvrir l’appareil
pour essayer de le réparer, contacter votre revendeur ou un personnel technique qualifié • Eviter que des corps
étrangers entrent dans l’appareil, car ils peuvent provoquer des mauvais fonctionnements, des courts circuits;
éviter aussi l’exposition risquée aux rayons laser si présents. • Allumer l’appareil seulement lorsque la température
interne du véhicule est dans la norme • Tenir le volume à un niveau permettant d’écouter les sons en provenance
de l’extérieur du véhicule (Klaxon, sirène etc.…) • Ne brancher aucun câble dans des endroits pouvant causer les
obstacles au fonctionnement des dispositifs de sécurité du véhicule.
MICROPHONE
SORTIE
PRÉ-AMPLIFIÉE

Related product manuals