EasyManua.ls Logo

Phonocar VM022 - Safety and Installation; Important Warnings; Connection Guide

Phonocar VM022
Print Icon
To Next Page IconTo Next Page
To Next Page IconTo Next Page
To Previous Page IconTo Previous Page
To Previous Page IconTo Previous Page
Loading...
7
EN
Installation to be carried out by trained technical personnel • Make sure you have 24/12V DC, with negative-pole
to mass • First disconnect negative-pole of the car-battery, then effect car-radio connections • When replacing fuse,
always use fuse with same Ampere-value • Never open the unit, nor try to repair yourself. Always ask your Retailer
or authorized technical staff • Make sure that no foreign objects fall into the unit, they would cause malfunctions,
short-circuits or exposure to dangerous laser-rays • When switching-on, make sure that temperate inside passenger-
compartment is at a normal level • Choose a listening-Volume which will allow you to hear external noises (car-horn,
sirens etc.) • When placing the cables, keep away from all car security-devices.
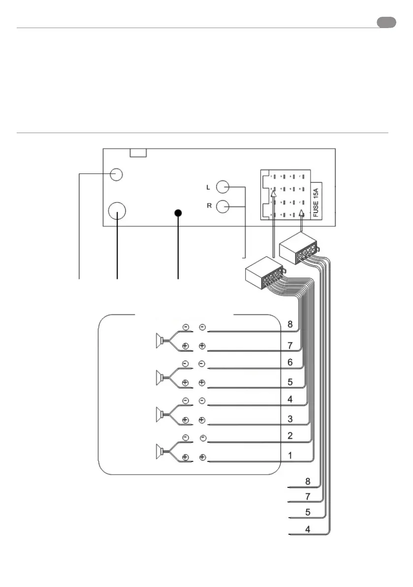
Connections
Warnings
DAB
ANTENNA
FM-AM
ANTENNA
MICROPHONE
4 - LOUDSPEAKERS
GREEN-BLACK
GREEN
WHITE/BLACK
WHITE
GREY/BLACK
GREY
PURPLE/BLACK
PURPLE
NEGATIVE (BLACK)
+12V IGNITION KEY (RED)
AMPLI ON/ ANTENNA (BLUE)
+12V PERMANENT (YELLOW)
PRE-AMPLIFIED
OUTPUT
REAR LEFT
FRONT LEFT
FRONT RIGHT
REAR RIGHT

Related product manuals