EasyManua.ls Logo

Phonocar VM022 - Page 17

Phonocar VM022
Print Icon
To Next Page IconTo Next Page
To Next Page IconTo Next Page
To Previous Page IconTo Previous Page
To Previous Page IconTo Previous Page
Loading...
17
DE
Die Installation muss durch technische Fachkräfte vorgenommen werden • Nur bei 24/12V DC verwenden, mit
Negativ-Pol zur Masse • Erst den Negativ-Pol der Auto-Batterie abtrennen, dann die Radio-Anschlüsse herstellen •
Beim Auswechseln, immer Sicherungen derselben Ampere-Stärke verwenden • Nie versuchen, das Gerät zu öffnen
oder eigenhändig zu reparieren. Immer den Händler bzw. technische Fachkräfte zu Rate ziehen • Sicherstellen, dass
keinerlei Fremdkörper in das Gerät eindringen können. Diese würden Betriebsstörungen, Kurzschlüsse oder die
Entfaltung gefährlicher Laser-Strahlen verursachen • Gerät nur dann einschalten, wenn die Temperatur im Wagen-
Innenraum auf normalem Niveau ist • Lautstärke so einstellen, dass externe Geräusche (Hupe, Sirenen etc.) noch
hörbar sind • Kabel fernhalten von allen Sicherheits-Geräten des Wagens.
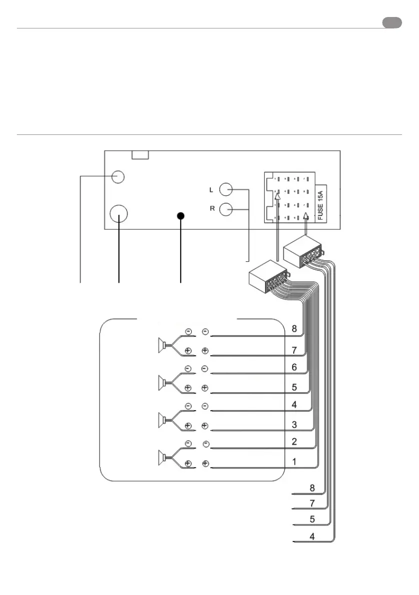
Anschluss
Warnungen
DAB
ANTENNE
FM-AM
ANTENNE
MIKRO
4 -
LAUTSPRECHER
GRÜN/SCHWARZ
GRÜN
WEISS/ SCHWARZ
WEISS
GRAU/SCHWARZ
GRAU
VIOLETT/SCHWARZ
VIOLETT
NEGATIV (SCHWARZ)
+12V ZÜNDPLUS (ROT)
VERSTÄRKER-EINSCHALTUNG/ ANTENNE (BLAU)
+12V PERMANENT (GELB)
VORVERSTÄRKTER
AUSGANG
HINTEN LINKS
VORNE LINKS
VORNE RECHTS
HINTEN RECHTS

Related product manuals