EasyManua.ls Logo

Phonocar VM022 - Page 2

Phonocar VM022
Print Icon
To Next Page IconTo Next Page
To Next Page IconTo Next Page
To Previous Page IconTo Previous Page
To Previous Page IconTo Previous Page
Loading...
2
IT
Per l’installazione rivolgersi al personale tecnico qualificato. • Usare solo con impianto elettrico a 24/12V DC con
negativo a massa. • Scollegare il terminale negativo della batteria del veicolo quando si effettuano le connessioni
dell’apparecchio. • Quando si sostituisce il fusibile, utilizzarne uno con lo stesso valore di amperaggio. • Non aprire
l’unità e non tentare di ripararla, consultare il proprio rivenditore o personale tecnico qualificato. • Assicurarsi
che oggetti estranei non entrino all’interno dell’apparecchio, potrebbero causare malfunzionamenti, generare
cortocircuiti elettrici o un’esposizione rischiosa ai raggi laser se presenti. • Accendere l’apparecchio solo quando la
temperatura dell’abitacolo è nella norma. • Mantenere un volume di ascolto che permetta di udire i suoni provenienti
dall’esterno del veicolo (clacson, sirene, etc…) • Non collegare alcun cavo in luoghi dove potrebbe ostacolare il
funzionamento dei dispositivi di sicurezza dell’auto.
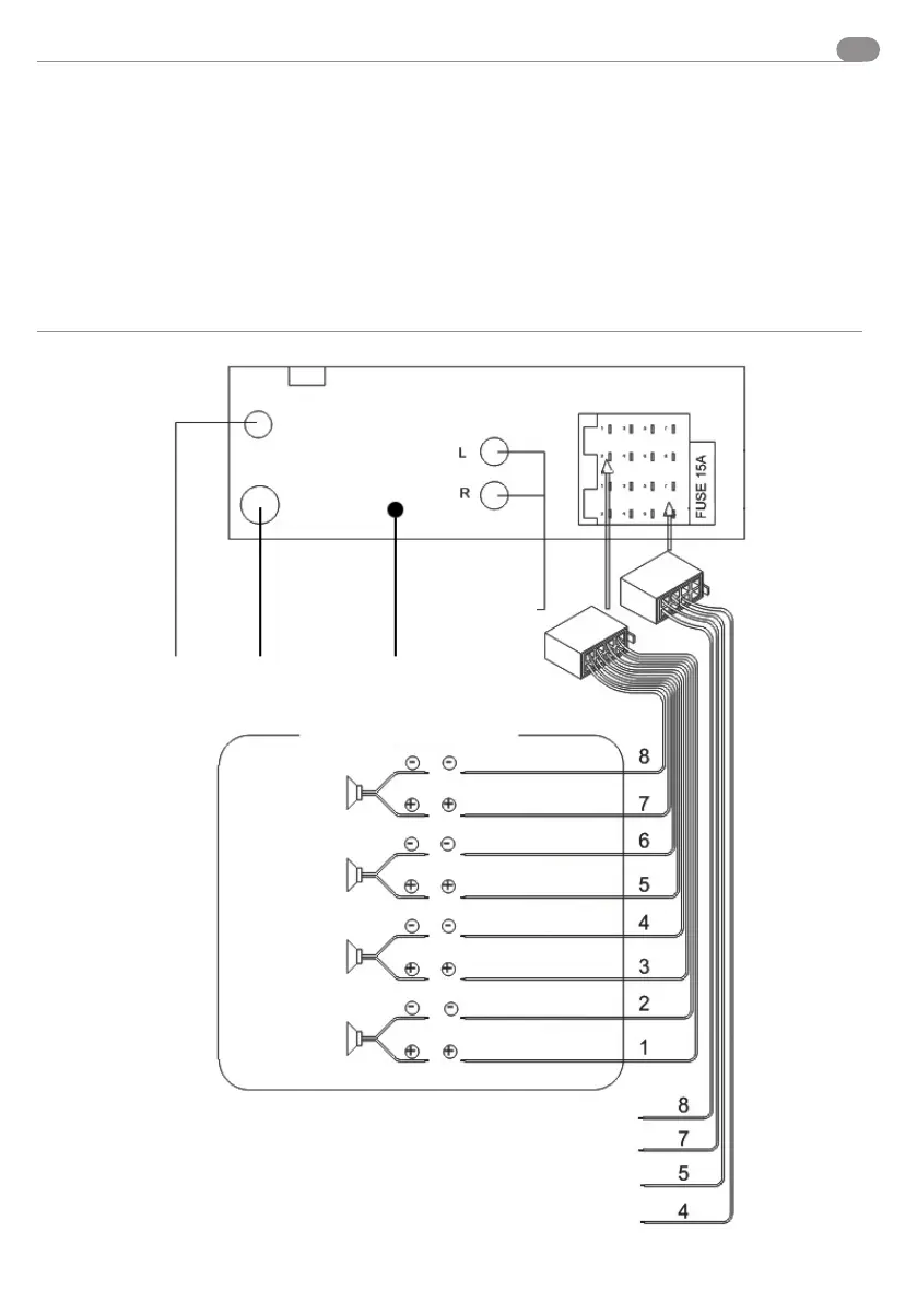
Connessioni
Precauzioni
ANTENNA
DAB
ANTENNA
FM-AM
MICROFONO
4 - ALTOPARLANTI
VERDE/NERO
VERDE
BIANCO/NERO
BIANCO
GRIGIO/NERO
GRIGIO
VIOLA/NERO
VIOLA
NEGATIVO (NERO)
+12V SOTTO CHIAVE(ROSSO)
AMPLI ON/ ANTENNA (BLU)
+12V PERMANENTE (GIALLO)
USCITE
PREMPLIFICATE
POSTERIORE
SINISTRO
ANTERIORE
SINISTRO
ANTERIORE
DESTRO
POSTERIORE
DESTRO

Related product manuals