EasyManua.ls Logo

Phonocar VM022 - Page 22

Phonocar VM022
Print Icon
To Next Page IconTo Next Page
To Next Page IconTo Next Page
To Previous Page IconTo Previous Page
To Previous Page IconTo Previous Page
Loading...
22
ES
Para la instalación, contactar exclusivamente con empresas especializadas y personal técnicamente calificados.
• Usar solo en vehículos con alimentación de 24/12V DC y negativo a masa. • Desconectar el terminal negativo
de la batería del vehículo cuando se efectúan las conexiones del aparato.• Cuando se sustituye el fusible, utilizar
exclusivamente fusibles con el mismo amperaje. • Non abrir la unidad y no tentar de repararla, consultar al
revendedor o personal técnico calificado. • Asegurarse de que no entren objetos extraños en su interior, podrían
causar malfuncionamientos, generar cortocircuitos eléctricos, además se corre el riesgo de una exposición muy
perjudicial a los rayos laser, si están presente • Encender el aparato solo cuando la temperatura del habitáculo
se haya normalizado. • Mantener un volumen de escucha tal que nos permita escuchar los sonidos del ambiente
circunstante. (Claxon, sirenas) • No conectar ningún cable en lugares que podría obstacular el funcionamiento de
los dispositivos de seguridad del coche.
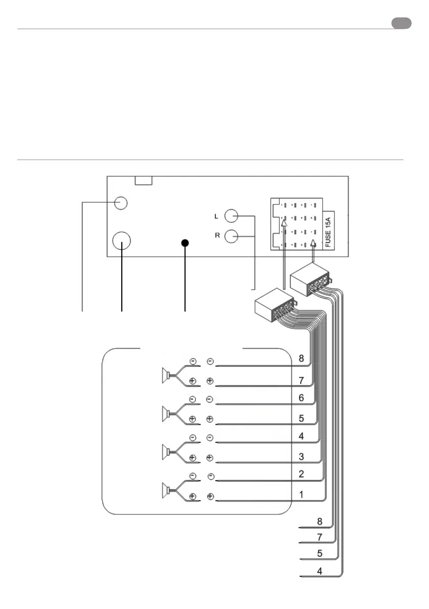
Conexiones
Precauciones
ANTENA
DAB
ANTENA
FM-AM
MICRÓFONO
4 - ALTAVOCES
VERDE/ NERO
VERDE
BLANCO /NEGRO
BLANCO
GRIS /NEGRO
GRIS
VIOLA /NEGRO
VIOLA
Negativo ((NEGRO)
+12 V Bajo llave (ROJO)
Encendido amplicador /Antena (AZUL)
+12 voltios Permanente (AMARILLO)
SALIDA
PRE AMPLIFICADA
POSTERIOR
IZQUIERDO
ANTERIOR
IZQUIERDO
ANTERIOR
DESTRO
POSTERIOR
DESTRO

Related product manuals