EasyManua.ls Logo

PIAGGIO X9 - Page 110

PIAGGIO X9
268 pages
Print Icon
To Next Page IconTo Next Page
To Next Page IconTo Next Page
To Previous Page IconTo Previous Page
To Previous Page IconTo Previous Page
Loading...
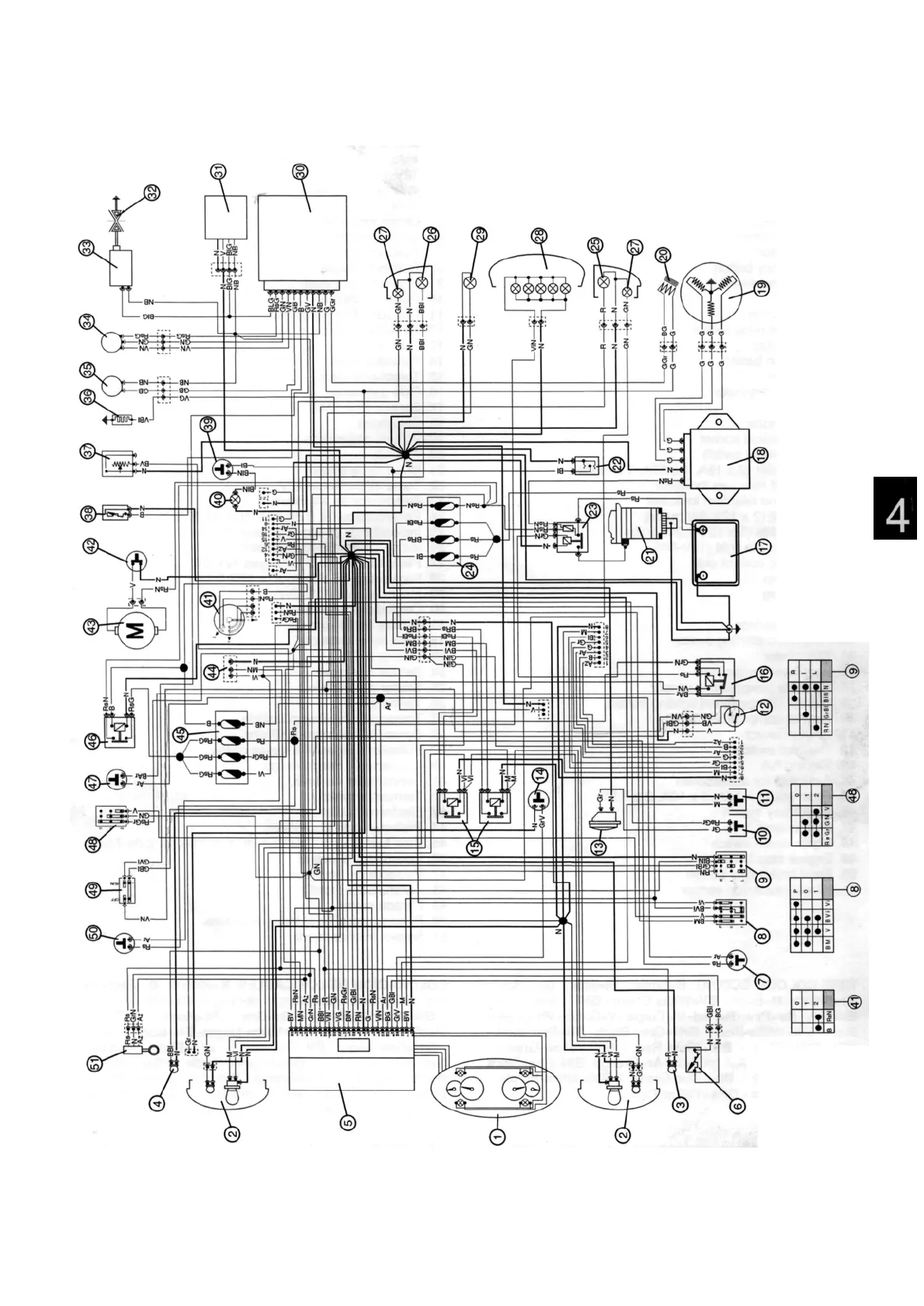
Electrical equipment diagram
Esquema instalación eléctrica
Esquema sistema eléctrico
04_001
4-1