EasyManua.ls Logo

PIAGGIO X9 - Page 136

PIAGGIO X9
268 pages
Print Icon
To Next Page IconTo Next Page
To Next Page IconTo Next Page
To Previous Page IconTo Previous Page
To Previous Page IconTo Previous Page
Loading...
X9 125-180 ce 4T4V
Electrical diagrams
Esquemas eléctricos de principio
Esquemas eléctricos de principio
Ignition section
Sección encendido
Secção ignição
04 002
1st Update to part no. 594599 X9 125-180 cc 4T 4V 4 - 29
Primera actualización dib. 594599 X9 125-180 cc 4T 4V
1" Atualização Des. 594599 X9 125-180 cc 4T 4V
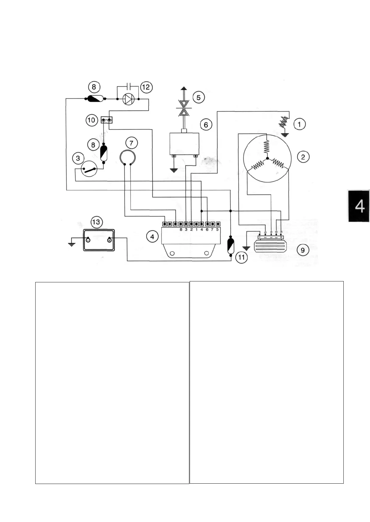
1 PICK-UP
2 FLYWHEEL MAGNETO
3 IGNITIOMSWITCH CONTACTS
4 ELECTRONIC CONTROL UNIT
5 SPARK PLUG
6 HVCOIL
7 IMMOBILIZER AERIAL
1 PICK-UP
2 VOLANTE MAGNÈTICO
3 CONTACTOS CONMUTADOR DE LLAVE
4 CENTRAL ELECTRÓNICA
5 BUJÍA
6 BOBINA A.T.
7 ANTENA IMMOBILIZER
1 PICK-UP
2 VOLANTE MAGNETO
3 CONTATOS COMUTADOR DE CHAVE
4 CENTRAL ELETRÔNICA DE COMANDO
5 VELA
6 BOBINA A.T.
7 ANTENA IMMOBILIZER
8 10AFUSE
9 VOLTAGE REGULATOR
10 DIAGNOSTIC MULTIMETER OUTPUT
11 15AFUSE
12 IMMOBILIZER LED
13 12V-12Ah BATTERY
8 FUSIBLE 10A
9 REGULADOR DE TENSIÓN
10 SALIDA TESTER DIAGNOSTICA
11 FUSIBLE DE 15A
12 LED IMMOBILIZER
13 BATERÍA 12V-12Ah
8 FUSÍVEL 10A
9 REGULADOR DE TENSÃO
10 SAÍDA TESTER DIAGNÓSTICO
11 FUSÍVEL DE 15A
12 LED IMMOBILIZER
13 BATERIA 12V-12Ah