EasyManua.ls Logo

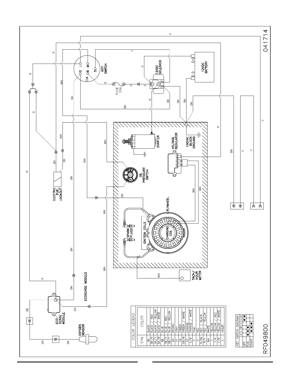
Pioneer Eclipse PE400BU - Electrical Schematic (W; Ecosense)

Pioneer Eclipse PE400BU
44 pages
Print Icon
To Next Page IconTo Next Page
To Next Page IconTo Next Page
To Previous Page IconTo Previous Page
To Previous Page IconTo Previous Page
Loading...
Electrical Schematic (w/ EcoSense)
26

Related product manuals