EasyManua.ls Logo

PlayDifferently Model 1 - Block Diagram

PlayDifferently Model 1
22 pages
Print Icon
To Next Page IconTo Next Page
To Next Page IconTo Next Page
To Previous Page IconTo Previous Page
To Previous Page IconTo Previous Page
Loading...
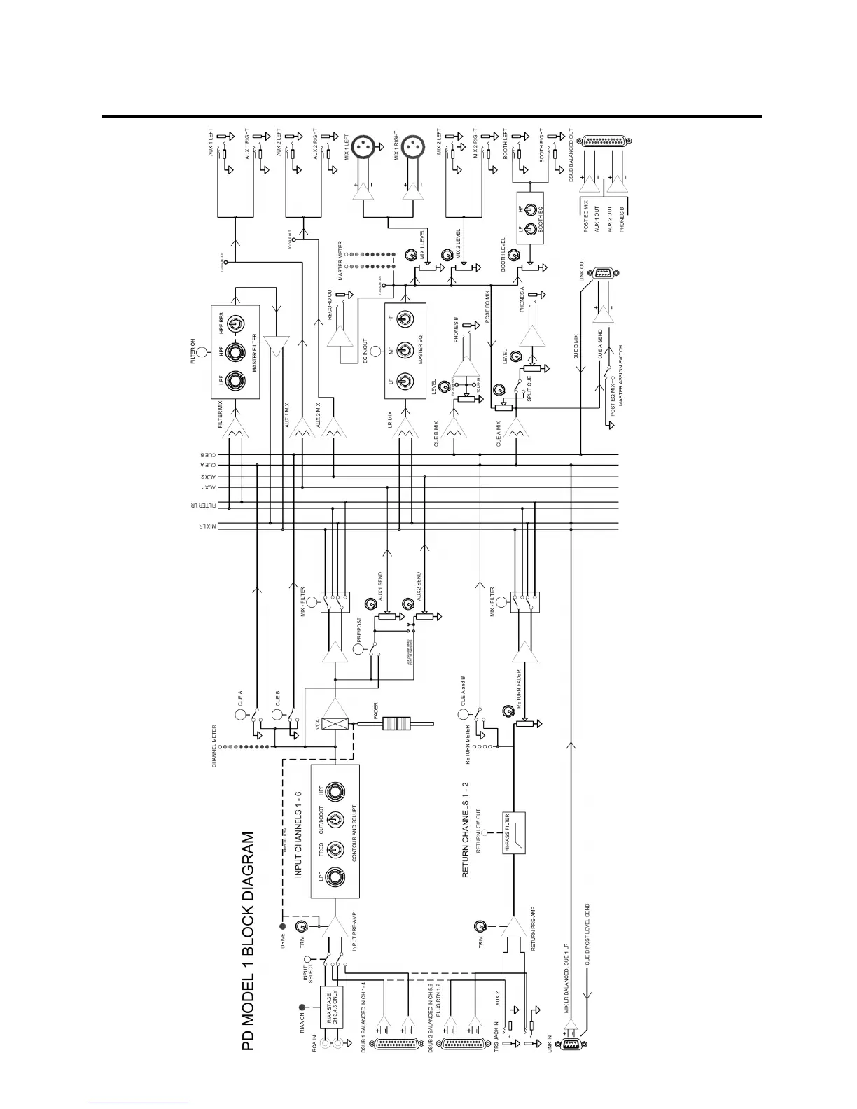
Block Diagram
Block DiagramBlock Diagram
Block Diagram
16
1616
16