EasyManua.ls Logo

PMA Digital 280-1 - Page 9

PMA Digital 280-1
52 pages
Print Icon
To Next Page IconTo Next Page
To Next Page IconTo Next Page
To Previous Page IconTo Previous Page
To Previous Page IconTo Previous Page
Loading...
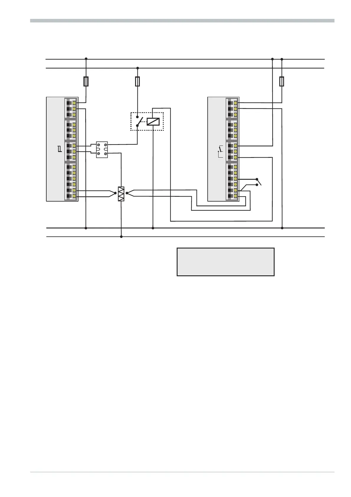
Connecting exampleDigital 280-1:
a
CAUTION:
Using a temperature limiter is recommendable in systems where
overtemperature implies a fire hazard or other risks.
Electrical connections
Digital 280-1 Terminal connection 9
1
2
3
4
7
5
8
6
9
10
11
12
13
14
15
Logic
+
_
L1
L2
N1
N2
fuse
1
2
3
4
7
5
6
fuse
TB 40-1
temperature limiter
1
Digital 280-1
fuse
SSR
reset-
switch
contactor
heating
1
TB 40-1 temperature limiter
standard-version (3 relay)
TB40-100-0000D-000
further versions on demand
r
+
+
1
7
5
8
6
9
10
11
12
13
14
15
4
3
2
1
7
5
8
6
9
10
11
12
13
14
15
4
3
2