EasyManua.ls Logo

poclain hydraulics MSE03 - Moteurs Avec Palier Dyna; Motor with Dyna+ Bearing Support

Default Icon
84 pages
Print Icon
To Next Page IconTo Next Page
To Next Page IconTo Next Page
To Previous Page IconTo Previous Page
To Previous Page IconTo Previous Page
Loading...
POCLAIN HYDRAULICS
677777845L DOC-REPAIR-MS02-MS18-FR-EN 79
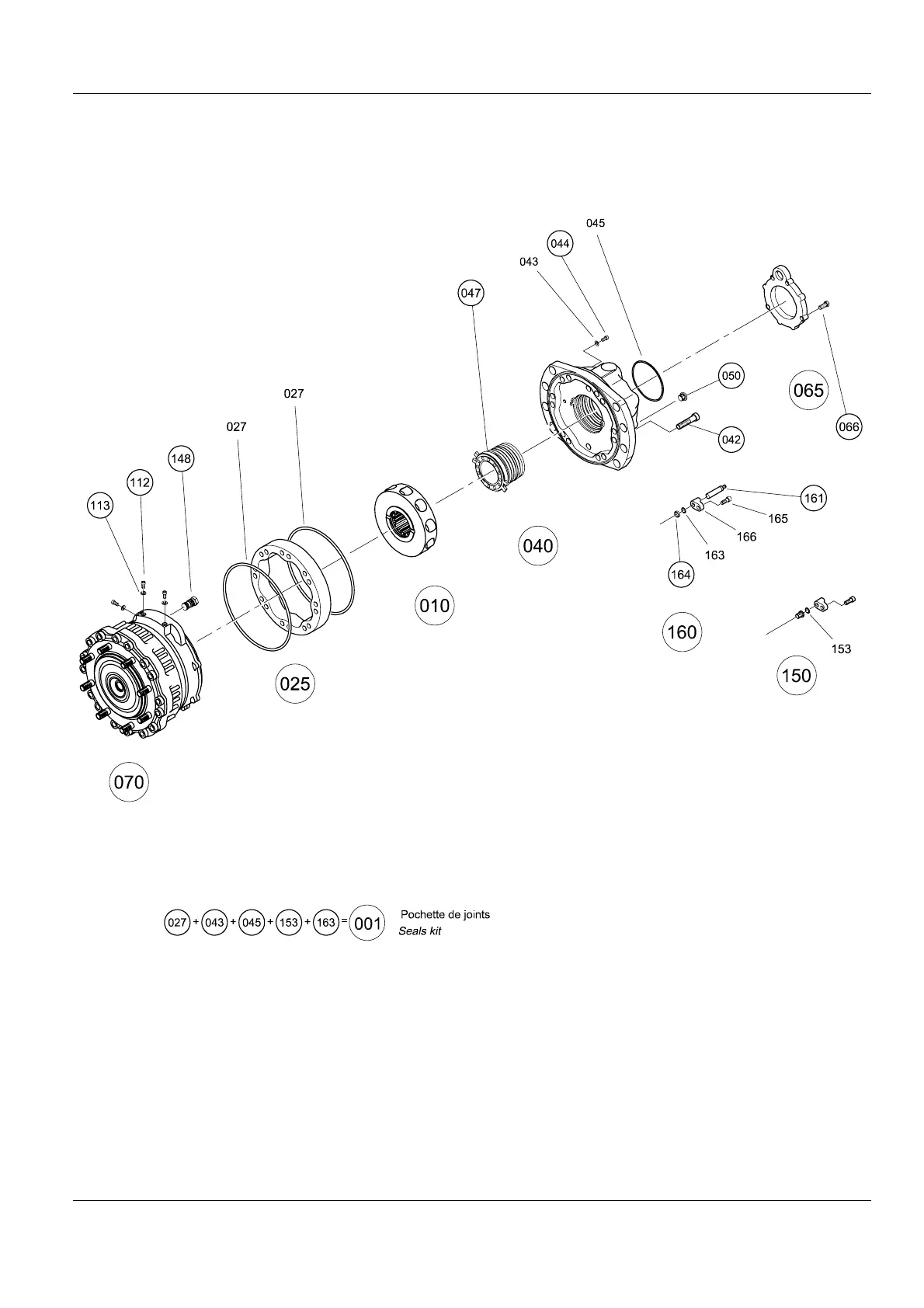
Moteurs avec palier Dyna +
Motor with DYNA+ Bearing support
8162

Table of Contents

Related product manuals