EasyManua.ls Logo

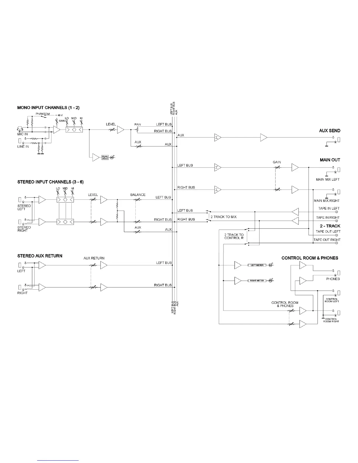
Podium Pro Audio MX602 - MX602 Block Diagram; Mono Input Channel Signal Path; Stereo Input Channel Signal Path; Stereo Aux Return and Send Diagram

Default Icon
6 pages
Print Icon
To Previous Page IconTo Previous Page
To Previous Page IconTo Previous Page
Loading...
Podium Pro Audio MX602 BLOCK DIAGRAM
6 7