EasyManua.ls Logo

Polaroid 39GSR3000 - External Device Connectivity; Connecting AV and PC Devices

Polaroid 39GSR3000
30 pages
Print Icon
To Next Page IconTo Next Page
To Next Page IconTo Next Page
To Previous Page IconTo Previous Page
To Previous Page IconTo Previous Page
Loading...
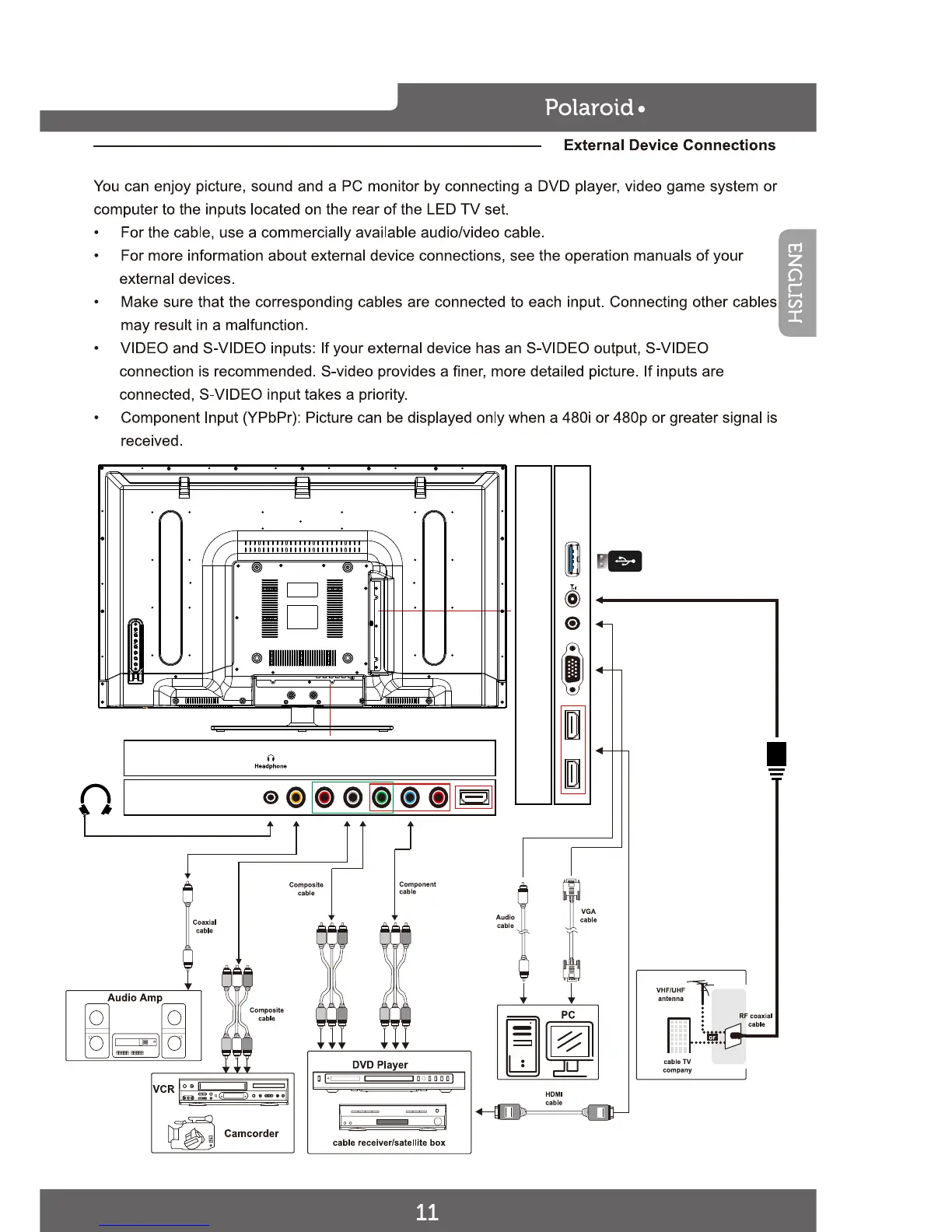
39GSR3000
VIDEO / YLR AUDIO Pb PrCOAXIAL HDMI1
PC AUDIO
USB
(For Service)
HDMI2
VGA
HDMI3
RF
CH+
VOL+
MENU
SOURCE
POWER

Related product manuals