EasyManua.ls Logo

Polk Audio Digital Solution System - Speaker Hook up

Polk Audio Digital Solution System
32 pages
Print Icon
To Next Page IconTo Next Page
To Next Page IconTo Next Page
To Previous Page IconTo Previous Page
To Previous Page IconTo Previous Page
Loading...
www.polkaudio.com
9
TO REDUCE THE RISK OF FIRE OR ELECTRIC SHOCK, DO NOT EXPOSE
THIS APPLIANCE TO RAIN OR MOISTURE. NO USER SERVICEABLE
PARTS INSIDE. REFER SERVICING TO QUALIFIED SERVICE PERSONNEL.
REAR
LEFT
REAR
RIGHT
FRONT
CENTER
FRONT
LEFT
FRONT
RIGHT
AUDIO INPUT FROM
PREAMP/PROCESSOR
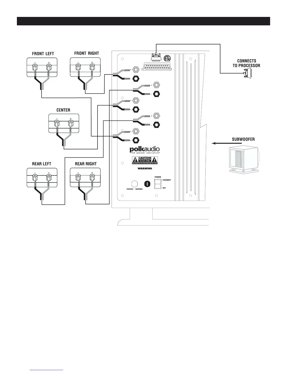
SPEAKER HOOK UP
Note: Amplifier layout may be slightly different than that shown, depending on model of DS system.

Related product manuals