EasyManua.ls Logo

Poulan Pro PPWT60022X - Additional Parts List

Poulan Pro PPWT60022X
4 pages
Print Icon
To Previous Page IconTo Previous Page
To Previous Page IconTo Previous Page
Loading...
4
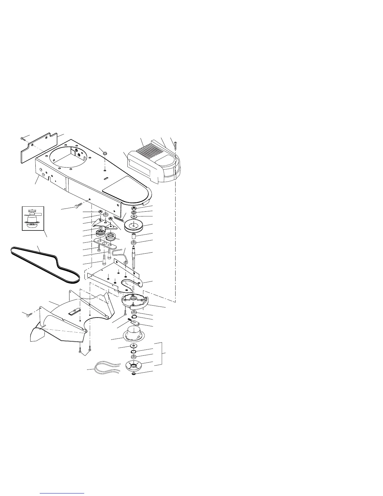
WHEELED WEEDTRIMMER - - MODEL NO. PPWT60022X
(MFG. ID. NO. 96172000700)
12
43
14
1
52
51
17
4
13
16
18
34
33
39
38
27
37
27
30*
36
31
35
32
3
22
23
24
25
26
27*
28
9
10
19
7
6
41
5
8
11
15
29
40
45
21
47
46
20
2
5
WHEELED WEEDTRIMMER - - MODEL NO. PPWT60022X
(MFG. ID. NO. 96172000700)
KEY PART
NO. NO. DESCRIPTION
1 174031X421 Chassis Assembly
2 182133 Line, Trimmer .155 diameter x 18.75 long
3 173715 Screw, Self-Tapping 5/16-18 x 1
4 185476 V-Belt
5 172145X004 Bracket, Idler
6 166042 Pulley, Idler, V-Groove
7 173716 Bolt, Hex Head 3/8-16 x 1.25
8 73930600 Locknut, Hex 3/8-16
9 166043 Pulley, Idler, Flat
10 160829 Bolt, Shoulder
11 73930500 Locknut, Hex 5/16-18
12 173717 Spacer
13 174719 Bolt, Shoulder
14 409149 Locknut, Flange
15 173811 Spring, Return
16 180268 Defl ector, Bottom
17 17060410 Screw 1/4-20 x 1/2
18 178848 Screw #10-24 x 3/4
19 199574 Belt Keeper
20 178390 Cover, Chassis, Top
21 149746 Screw #10-24 x 1-3/4
22 73610600 Nut, Hex 3/8-24 UNF
23 850263 Washer, Lock 3/8
24 19121214 Washer, Flat 3/8
25 180340 Pulley, Driven
26 172551 Spacer, Pulley
27 174549 Bearing
28 172520 Jackshaft
29 169766X479 Cover, Chassis, Bottom
30 174543 Spindle Housing Assembly (* Includes Upper Bearing, Key No. 27)
31 174581 Ring, Retaining, External, 17mm
32 173973 Spring, Locking Plate
33 172519 Locking Plate
34 180338 Carrier Plate Assembly
35 182217 Mow Ball Assembly (Includes Key Numbers 27, 37 and 38)
36 172516 Cover, Bearing
37 174580 Ring, Retaining, Internal, 40mm
38 172523 Mow Ball
39 180334 Bolt, Mow Ball
40 180333 Spindle Assembly, Complete (Includes Key No. 22-28 and 30-39)
41 174029 Spacer
43 174042 Decal, Instruction
45 174596X479 Belt Keeper, Bottom
46 17060408 Screw, Self-Tapping
47 174036 Decal, Instruction
51 189006 Defl ector, Rear
52 178848 Screw
NOTE: All component dimensions given in U.S. inches. 1 inch = 25.4 mm
IMPORTANT: Use only Original Equipment Manufacturer (O.E.M.) replacement parts.
Failure to do so could be hazardous, damage your weed trimmer and void your warranty.

Related product manuals