EasyManua.ls Logo

Power Craft EPJ 500-E - Page 8

Power Craft EPJ 500-E
10 pages
Print Icon
To Next Page IconTo Next Page
To Next Page IconTo Next Page
To Previous Page IconTo Previous Page
To Previous Page IconTo Previous Page
Loading...
8
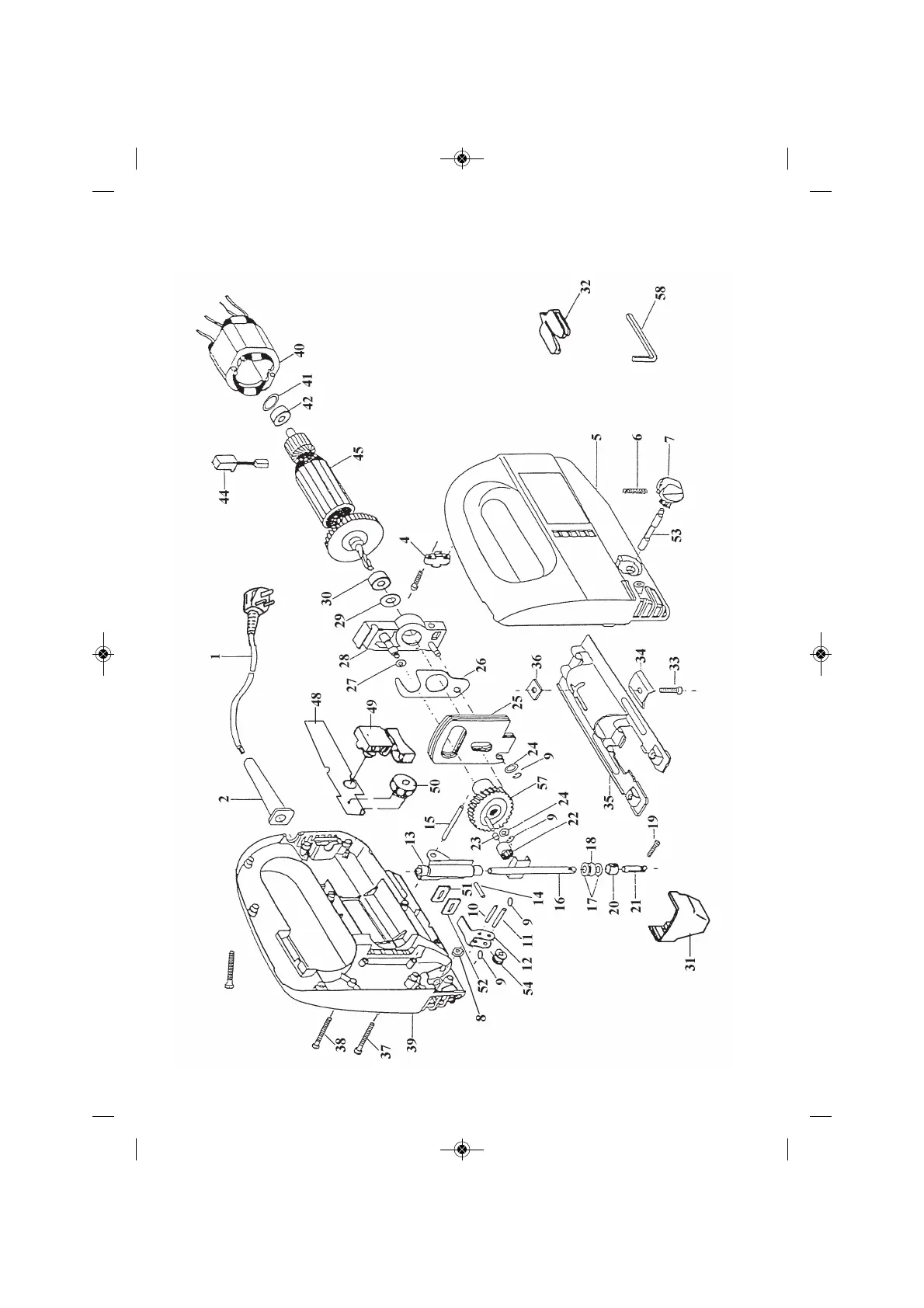
Replacement parts drawing EPJ 500-E Art.-No.: 43.206.02, I.-No.: 91019
Anleitung_Anleitung 10.04.14 09:56 Seite 8

Related product manuals