EasyManua.ls Logo

Powerex MTSD0303 - Page 8

Powerex MTSD0303
40 pages
Print Icon
To Next Page IconTo Next Page
To Next Page IconTo Next Page
To Previous Page IconTo Previous Page
To Previous Page IconTo Previous Page
Loading...
Scroll Medical & Laboratory Compressed Air Systems
Powerex 150 Producon Drive Harrison, OH 45030 USA
P 1.888.769.7979 F 513.367.3125 www.powerexinc.com
IN907800AV 08/2018
Page 8 of 40
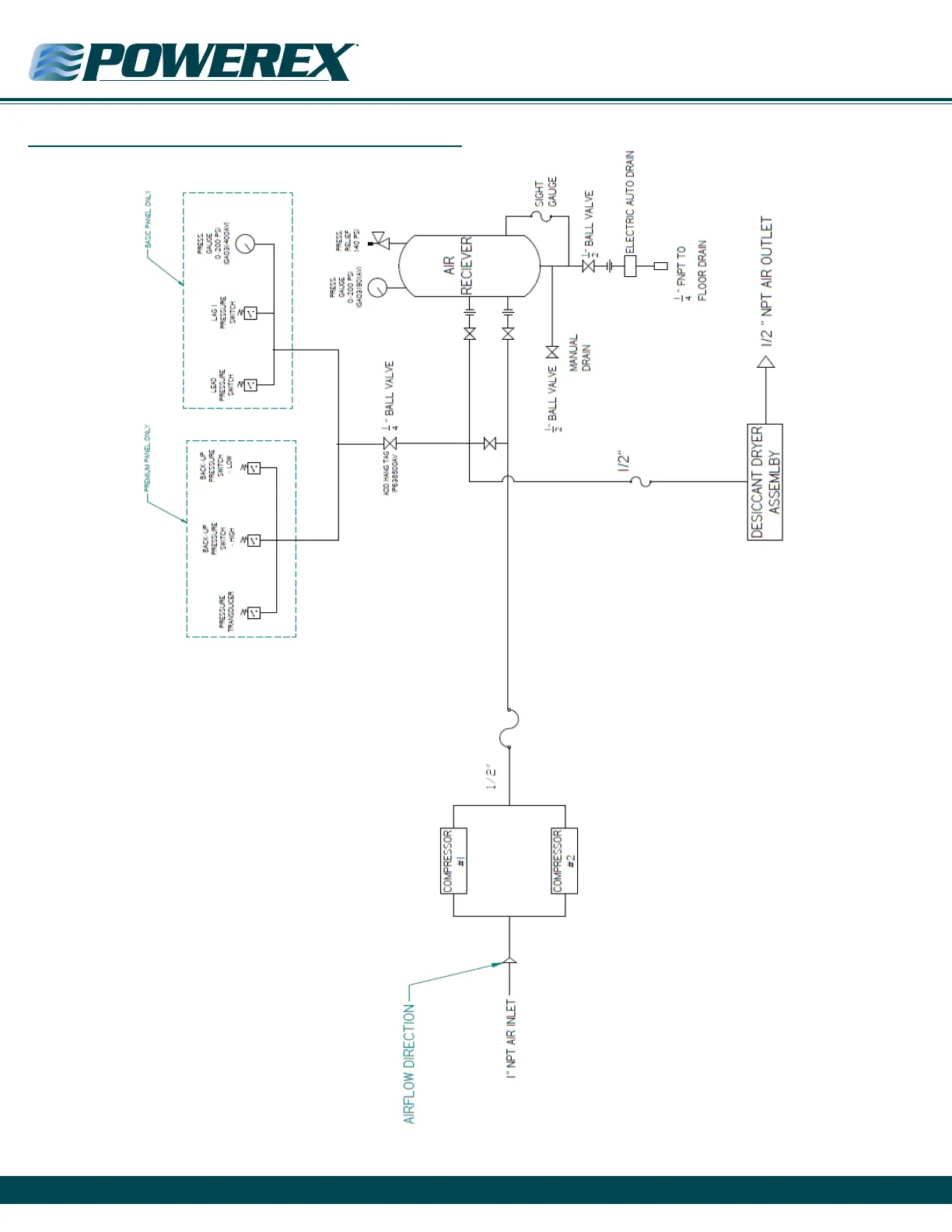
Medical System Flow Schemac
This is only a representave schemac diagram.

Related product manuals