EasyManua.ls Logo

Powerex SEQ2007HP - Service Parts Diagram

Default Icon
28 pages
Print Icon
To Next Page IconTo Next Page
To Next Page IconTo Next Page
To Previous Page IconTo Previous Page
To Previous Page IconTo Previous Page
Loading...
24
Scroll Enclosure Air Compressors
4
3
1
6
11
2
9
12
7
5
10
8
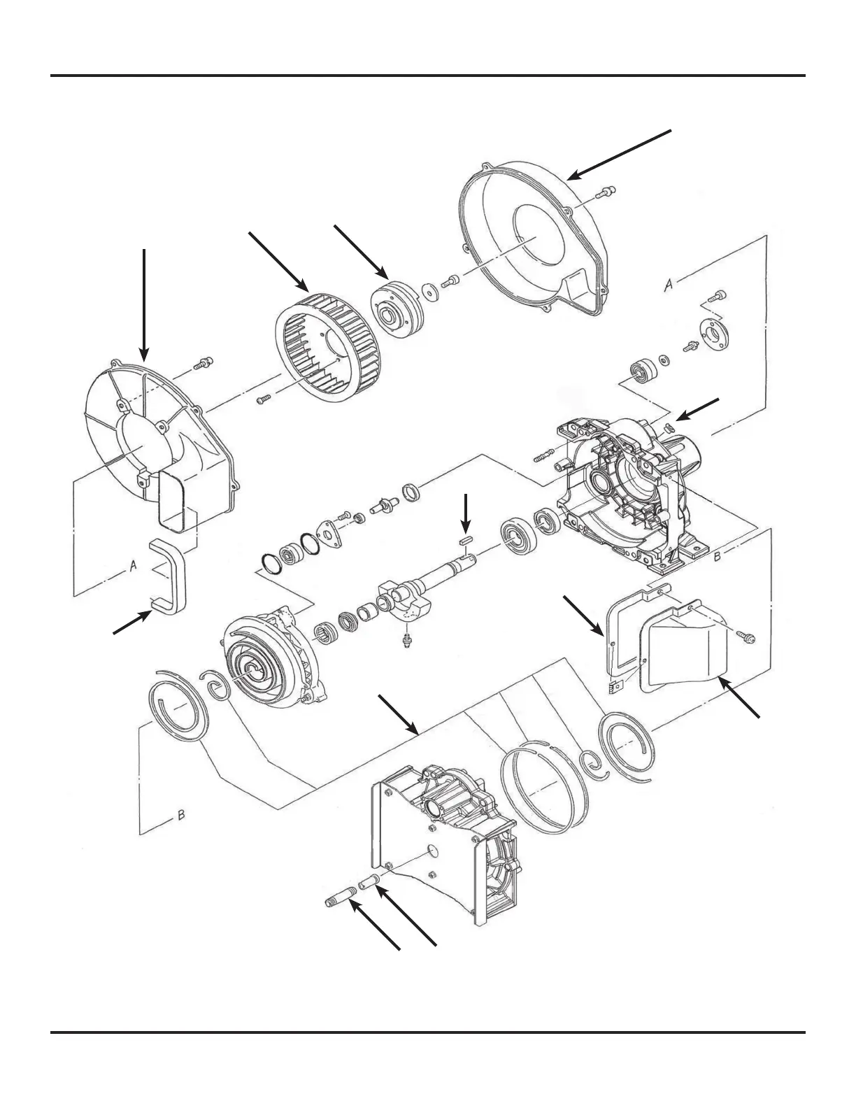
Figure 18
Service Parts Diagram

Other manuals for Powerex SEQ2007HP

Related product manuals