EasyManua.ls Logo

Powersmart DB8617P - Exploded View & Parts List

Powersmart DB8617P
27 pages
Print Icon
To Next Page IconTo Next Page
To Next Page IconTo Next Page
To Previous Page IconTo Previous Page
To Previous Page IconTo Previous Page
Loading...
23
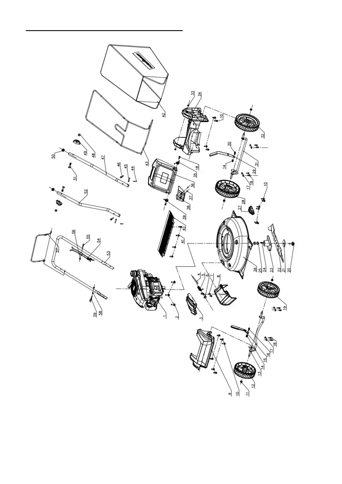
EXPLODED VIEW AND PARTS LIST

Related product manuals