EasyManua.ls Logo

Powr-Flite PAS20E - Page 15

Powr-Flite PAS20E
16 pages
Print Icon
To Next Page IconTo Next Page
To Next Page IconTo Next Page
To Previous Page IconTo Previous Page
To Previous Page IconTo Previous Page
Loading...
To Order Parts Call 1-888-702-5326 - https://monsterfloorequipmentparts.com
- 13 -
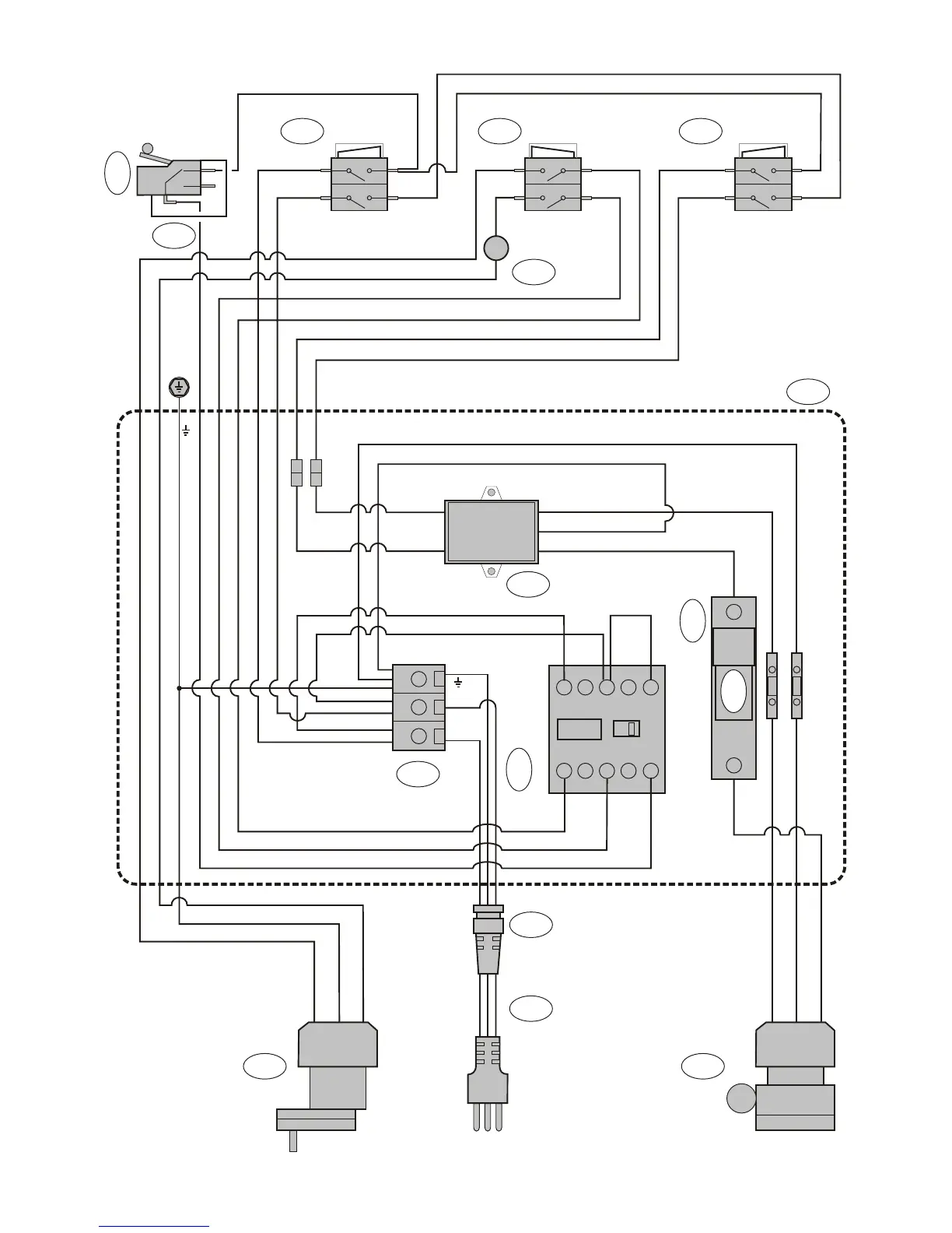
L
N
1L1 5L3 A1
2T1 6T3 A2
Blue
Yellow-green
Black
Blue
Yellow-green
Brown
FUSE 6A gg 500V~
SUCTION MOTOR
BRUSH MOTOR
FILTER
SOLENOID SWITCH
Yellow-green
Yellow-green
Black Blue
Blue
Blue
Brown
431 2
5 6 White
56
White
MICRO SWITCH ON / OFF BRUSH SUCTION
1
2
7
5
6
3
4
Blue
Black
Brown
Blue
Thermal
Blue
Yellow-green
Brown
300
302 302 302
303
304
305
306
307
308
309
310
311
301
313
312

Other manuals for Powr-Flite PAS20E

Related product manuals