EasyManua.ls Logo

PR KLIMA GPC10AL - Technical Diagrams; Electric Schematic Diagram

Default Icon
Print Icon
To Next Page IconTo Next Page
To Next Page IconTo Next Page
To Previous Page IconTo Previous Page
To Previous Page IconTo Previous Page
Loading...
EN | 32
DEAR CUSTOMER
TABLE OF CONTENT
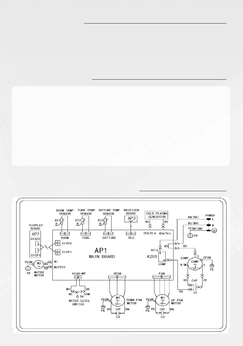
ELECTRIC SCHEMATIC DIAGRAM
Congratulation on the purchase of your mobile air conditioner. Please take the time to
read these operating instructions. Keep them at a safe place for future reference and
possibly hand them over together with the appliance.
Safety Instructions
27
Intended use
29
Disposal
29
Used symbols
29
Electric schematic diagram
32
Overview
33
Operation
34
Cleaning and Maintenance
41
Troubleshooting
42
Installation
44
Installation safety instructions
44
Accessories
45
Installing water drainage
46
Heat discharge pipe
48
Operation test
49
Technical data
49
Window installation
50

Table of Contents