EasyManua.ls Logo

Pramac S6000 - Parts Diagram

Pramac S6000
Print Icon
To Next Page IconTo Next Page
To Next Page IconTo Next Page
To Previous Page IconTo Previous Page
To Previous Page IconTo Previous Page
Loading...
6
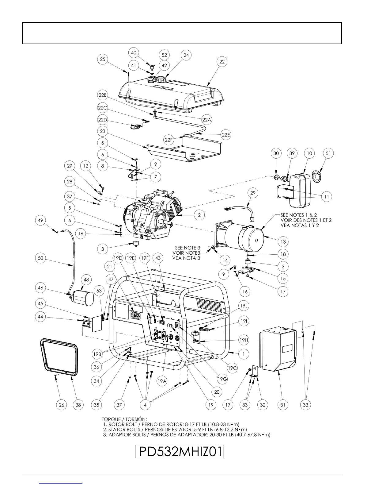
PARTS DRAWING / SCHEMA DES PIÈCES / DIAGRAMA DE PIEZAS

Related product manuals