EasyManua.ls Logo

PreCise WCM-02 - Page 4

PreCise WCM-02
15 pages
Print Icon
To Next Page IconTo Next Page
To Next Page IconTo Next Page
To Previous Page IconTo Previous Page
To Previous Page IconTo Previous Page
Loading...
PreCise MRM
Installation and Operation Manual
WCM-02
1311 East Franklin Road, Suite 102
Meridian, Idaho 83642
Support: 1-888-254-1634
www.PreCiseMRM.com
a subsidiary of FORCE America
WCM-02C
Copyright 2017
Sales: 1-888-449-0357
p. 4 of 14
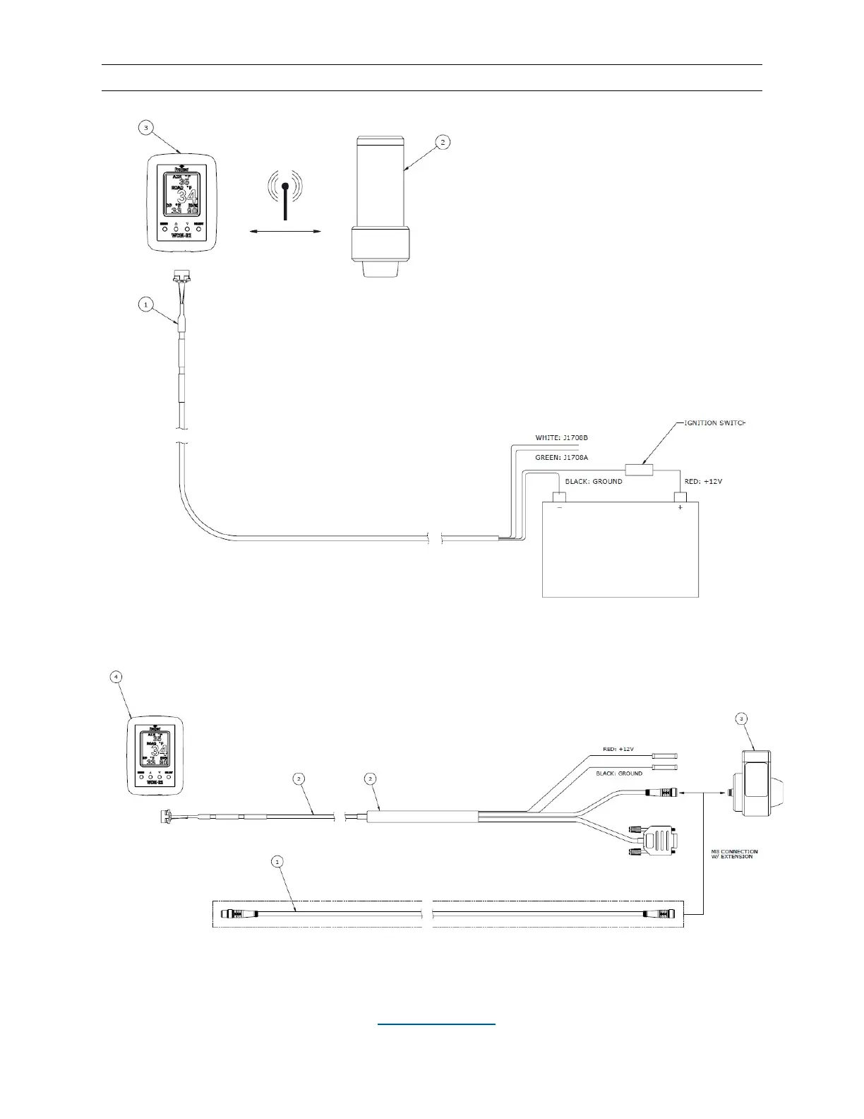
Figure 1: Wiring for WTS-01
Figure 2: Wiring for TS-01