EasyManua.ls Logo

Precor GluteBuilder GPL622/3DAB - Page 17

Precor GluteBuilder GPL622/3DAB
25 pages
Print Icon
To Next Page IconTo Next Page
To Next Page IconTo Next Page
To Previous Page IconTo Previous Page
To Previous Page IconTo Previous Page
Loading...
Assembly
17
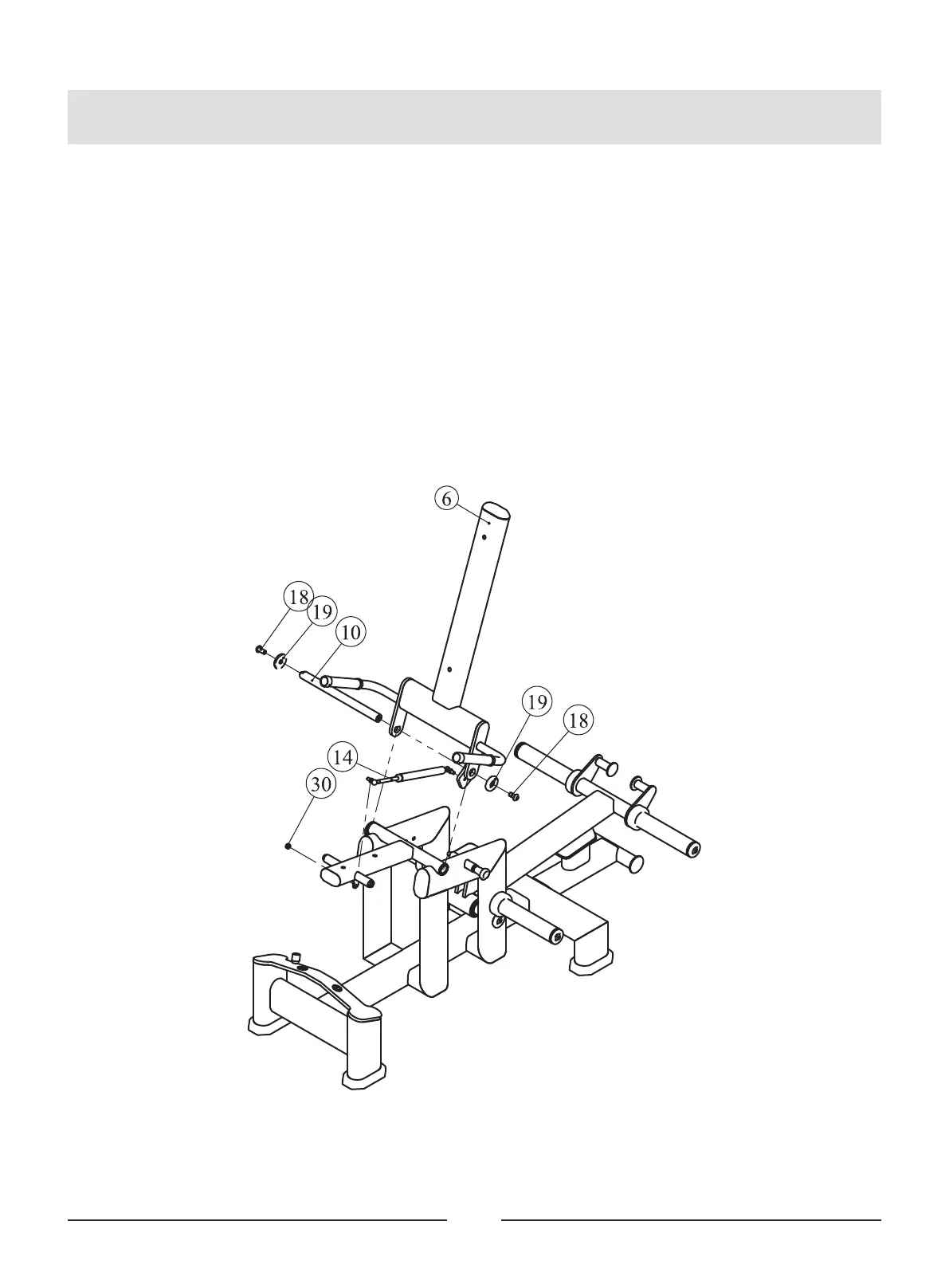
STEP 2
1. Attach one Cushion Frame ASSY (#6) to Main Stand ASSY (#5), using:
one Rotating shaft 1 (#10)
two Button Head Cap Screw M12*25 (#18)
two Aluminium Cap Φ49*Φ12.5*10 (#19)
2. Attach one Air Spring (#14) to Main Stand ASSY (#5) and Cushion Frame ASSY (#6),
using:
one Nylon Lock Nut M16 (#30)

Related product manuals