EasyManua.ls Logo

Precor GluteBuilder GPL622/3DAB - Page 18

Precor GluteBuilder GPL622/3DAB
25 pages
Print Icon
To Next Page IconTo Next Page
To Next Page IconTo Next Page
To Previous Page IconTo Previous Page
To Previous Page IconTo Previous Page
Loading...
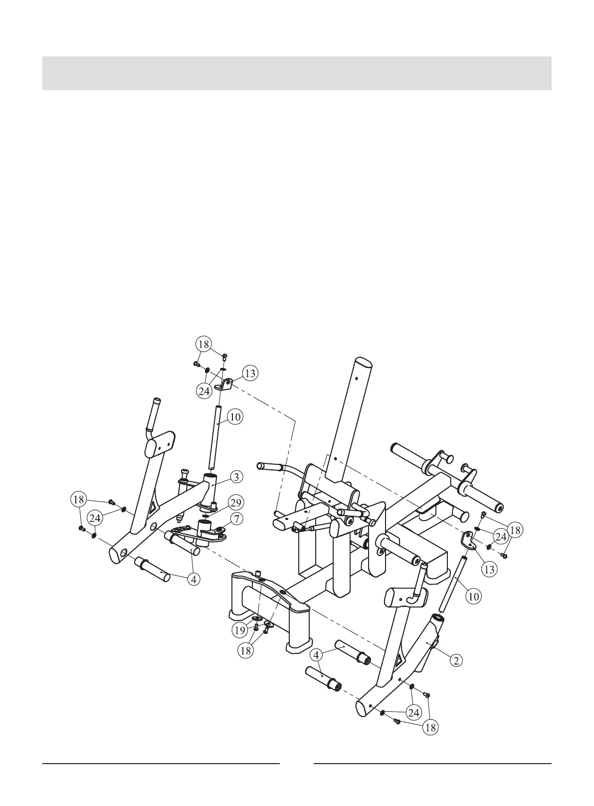
STEP 3
1. Attach one Sway Leg Frame 2 ASSY (#3) and Adjustment Frame ASSY to Main Stand
ASSY (#5), using:
one Rotating shaft 1 (#10) one Connection L Iron Plate (#13)
three Button Head Cap Screw M12*25 (#18) one Aluminium Cap Φ4912.5*10 (#19)
two Flat Washer Φ13*Φ26*2 (#24) one Busing Φ30*2*3 (#29)
2. Attach one Sway Leg Frame 1 ASSY (#2) to Main Stand ASSY (#5), using:
one Rotating shaft 1 (#10) one Connection L Iron Plate (#13)
three Button Head Cap Screw M12*25 (#18) one Aluminium Cap Φ4912.5*10 (#19)
two Flat Washer Φ13*Φ26*2 (#24)
3. Attach four Pedal Frame ASSY (#4) to Sway Leg Frame 1 ASSY (#2) and Sway Leg
Frame 2 ASSY (#3), using:
four Button Head Cap Screw M12*25 (#18) four Flat Washer Φ13*Φ26*2 (#24)
Assembly
18

Related product manuals