EasyManua.ls Logo

Predator Engines 212 - Page 29

Predator Engines 212
30 pages
Print Icon
To Next Page IconTo Next Page
To Next Page IconTo Next Page
To Previous Page IconTo Previous Page
To Previous Page IconTo Previous Page
Loading...
Page 29
For Engine technical questions, please call 1-800-520-0882.
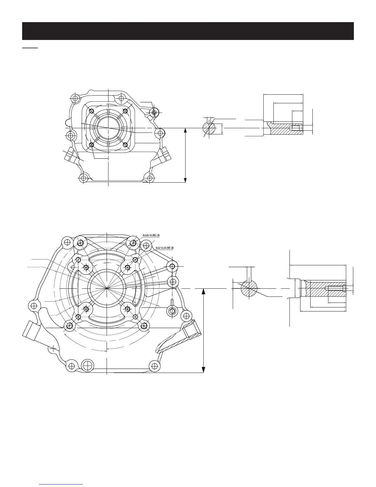
Horizontal Engines
Power Take-Off Diagrams
Note: Not to scale.
ITEM 68120 / 68121 212cc
2.43 in. / 61.7mm
1.79 in. / 45.5mm
0.67 in.
/ 17mm
5/16-24UNF
Ø0.75 in. / 19.05mm
0.64 in.
/ 16.36mm
0.1875 in. / 4.78mm
4x5/16-24UNF
5/16-24UNF
4.17 in. / 106mm
Ø3.625 in. / 92mm
ITEM 68136 346cc and ITEM 68306 420cc
3.48 in. / 88.5mm
Ø1.17 in. / 29.7mm
2.84 in. / 72.2mm
2.2 in. / 56mm
1.1 in. / 28mm
3/8-24UNF
Ø1 in. / 25.4mm
0.36 in. / 9.13mm
0.25 in. / 6.35mm
(30°)
(30°)
(45°)
(45°)
5.25 in. / 133.5mm
Ø3.625 in. / 92mm
Ø6.5 in. / 165.1mm
Ø5.75 in.
/ 146mm
Ø5 in. /
127mm

Related product manuals