EasyManua.ls Logo

Premier ED-4195 - Circuit Diagram

Premier ED-4195
Print Icon
To Next Page IconTo Next Page
To Next Page IconTo Next Page
To Previous Page IconTo Previous Page
To Previous Page IconTo Previous Page
Loading...
Pagina 10
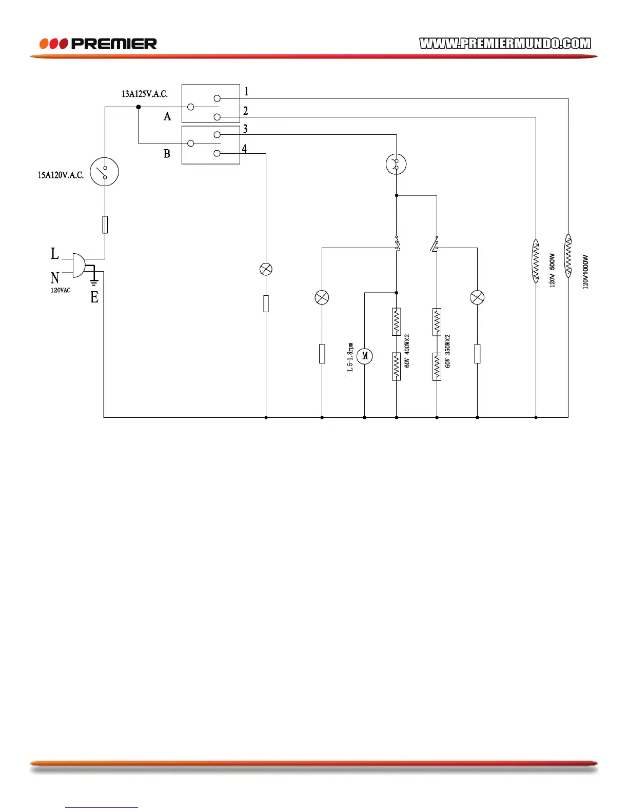
DIAGRAMA DE CIRCUITOS
ronómetro
Interruptor Principal
Enchufe
Fusible
Luz de
neón
Termostato
Resistencia
Resistencia
Interruptor de
lámpara de
neón interna
Motor Síncrono
Interruptor Izq.
Interruptor Der.
Elemento calefactor
superior
Elemento calefactor
Inferior
Resistencia
Interruptor de
lámpara d
e
neón interna
Placa calefactora eléctrica derecha
Placa calefactora eléctrica izquierda