EasyManua.ls Logo

Premier ED-4195 - Circuit Diagram

Premier ED-4195
Print Icon
To Previous Page IconTo Previous Page
To Previous Page IconTo Previous Page
Loading...
Pagina 11
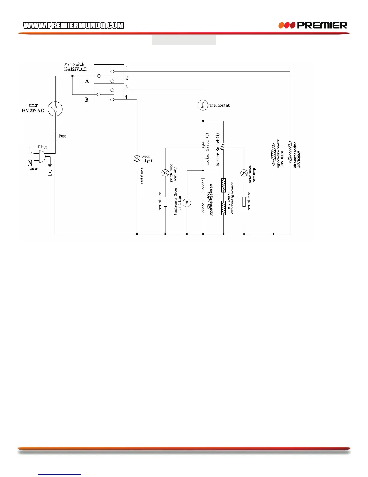
Circuit Diagram