EasyManua.ls Logo

Prestige 440 - Page 72

Default Icon
122 pages
Print Icon
To Next Page IconTo Next Page
To Next Page IconTo Next Page
To Previous Page IconTo Previous Page
To Previous Page IconTo Previous Page
Loading...
68/118
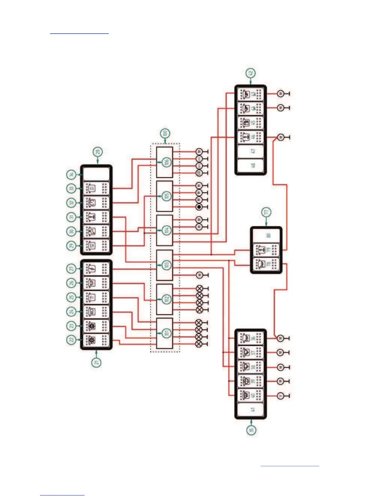
CONTROL PANEL SKETCH DIAGRAM

Related product manuals