EasyManua.ls Logo

Prestige APS-922E - Transmitter Interface and Indicators; Transceiver Icons and Indications

Prestige APS-922E
28 pages
Print Icon
To Next Page IconTo Next Page
To Next Page IconTo Next Page
To Previous Page IconTo Previous Page
To Previous Page IconTo Previous Page
Loading...
128-9364
14 of 28
14
Factory Lock Relay
Factory Unlock Relay
87a 87
30
85
86
87a 87
30
86
85
LockUnlock
To Red Lock Wire
Of Control Module
To Green Unlock Wire
Of Control Module
When Using DLVI
X
Cut and Splice
Per the Install
Guide Instruction
Blue
Green
To Red Lock Wire
Of Control Module
To Green Unlock Wire
Of Control Module
When Using Relays
Factory Lock Relay
Factory Unlock Relay
87a 87
30
85
86
87a 87
30
85
86
To Fused + 12 Volts
To Fused + 12 Volts
(+)
From Vehicle
Chassis Ground
Negative Switch Driver Priority
Factory Lock Relay
87a 87
30
85
86
87a 87
30
86
85
From Fuse Box + 12 Volts
LockUnlock
To Red Lock Wire
Of Control Module
To Green Unlock Wire
Of Control Module
Drivers Door Motor
Passenger Door Motors
X
Cut Drivers Door
Unlock Motor Wire
To Red/Black 2nd
Unlock Wire From
Control Module
If Factory Switches + 12 Volts
Connect to Fused + 12 Volt Source.
If Factory switches Ground,
Connect To Ground.
87a 87
30
86
85
Fused + 12 Volt Source
Factory Unlock Relay
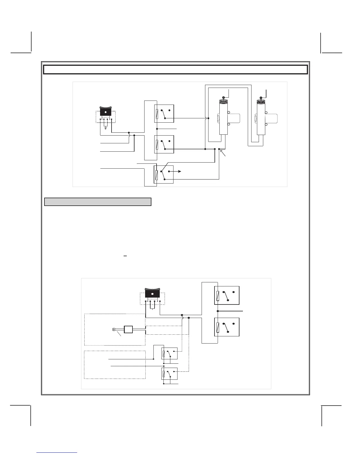
3 Wire Positive Switched Door Locks:
For three wire positive door lock circuits, you will have to invert the output of the door lock wires, with
relays or with the "DLVI" Door Lock Voltage Inverter. The DLVI converts a negative pulse to a 1A positive
pulse. When using the DLVI, cut the 3 Pin Green & Blue Connector, and splice the Blue form the DLVI to
the Green Door unlock Wire of the 2 or 3 pin module's door lock harness, and splice the Green of the DLVI
to the Red Door Lock Wire of the 2 or 3 pin module's door lock harness. Connect the Red From the DLVI
to a fused 12 Volt Source. Connect the Blue (+) Unlock control output from the DLVI to the vehicles low
current (+) Door Unlock Wire. Connect the Green (+) Lock control output from the DLVI to the vehicles
low current (+) Door Lock Wire. See Below For Wiring Detail.
3 Wire Positive Switched Door Lock/Unlock Wiring Detail

Other manuals for Prestige APS-922E

Related product manuals