EasyManua.ls Logo

Pride C1 - Page 132

Pride C1
140 pages
Print Icon
To Next Page IconTo Next Page
To Next Page IconTo Next Page
To Previous Page IconTo Previous Page
To Previous Page IconTo Previous Page
Loading...
132 www.pridemobility.com Lift Chair Series
LIFT CHAIR SERIES
APPENDIX F
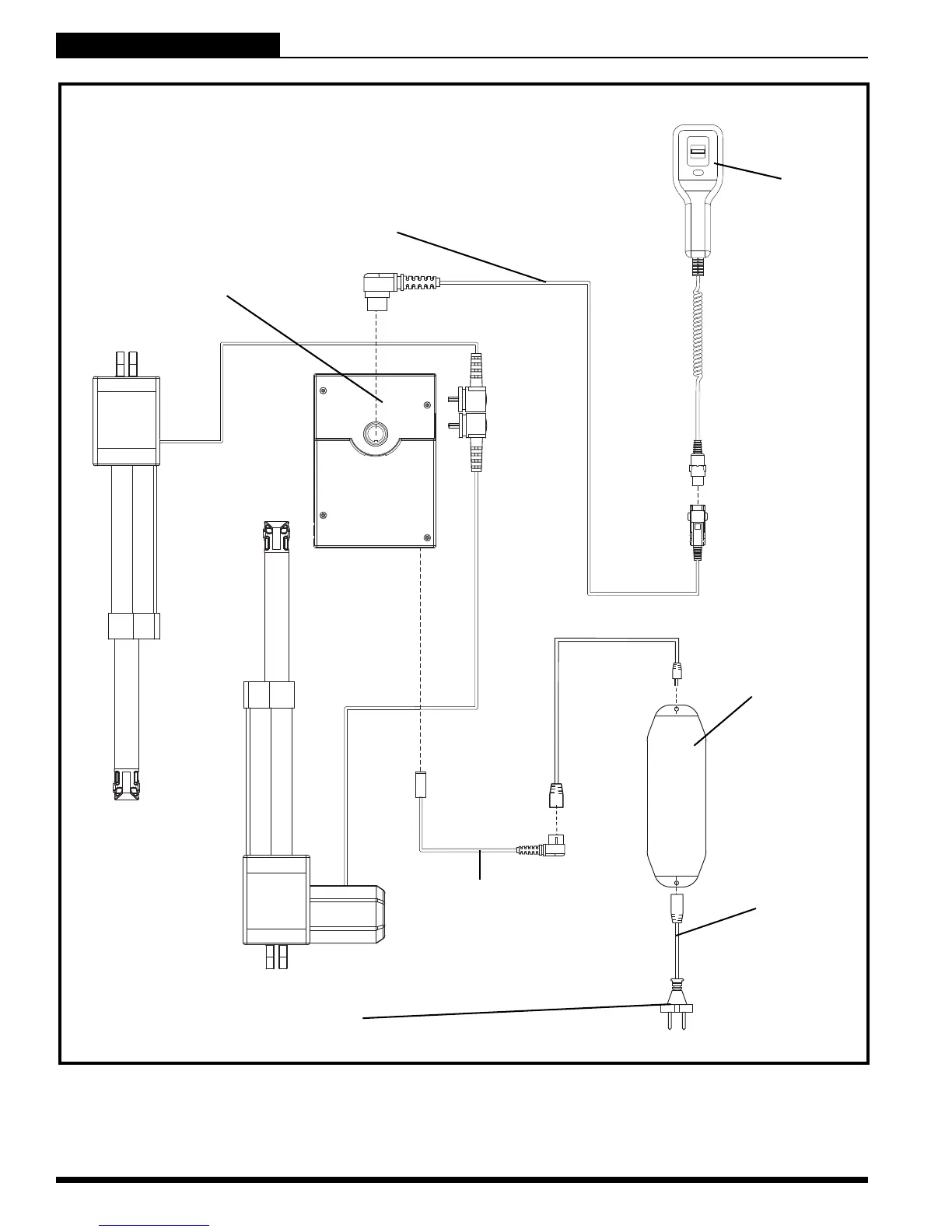
HAND CONTROL
MANETTE
FILOCOMANDO
HANDSTEURUNG
HANDBEDIENNING
LOCKING HAND CONTROL EXTENSION HARNESS
CORDON BLOQUANT DE LA MANETTE DE COMMANDE
BLOCCO CABLAGGIO PROLUNGA FILOCOMANDO
ANSCHLUSSKABEL ZUM SPERREN DER HANDSTEUERUNG
VERLENGKABEL HANDBEDIENING MET VERGRENDELINGSFUNCTIE
CENTRALINA CONTROLLO MOTORE
MOTOR CONTROL BOX
BOITIER CONTROLE DU MOTEUR
MOTORSTEUERUNG
MOTOR BESTURING
EXTERNAL TRANSFORMER
TRANSFORMATEUR EXTERNE
TRASFORMATORE ESTERNO
EXTERNER TRANSFORMATOR
EXTERNE TRANSFORMATOR
STROMKABEL
KRACHTSNOER
ZUR STECKDOSE
NAAR STOPCONTACT
TO ELECTRICAL OUTLET
VERS LA PRISE ELECTRIQUE
ALLA PRESA ELETTRICA
LOW VOLTAGE CONNECTION CABLE
CONNEXION CABLE BAS VOLTAGE
CAVO DI CONNESSIONE A BASSA
TENSIONE
NIEDERSPANNUNGSKABEL
LAAGSPANNINGSKABEL
Diagram 5. Lift Chair Electrical Diagram with Dual Motors and Universal Transformer
Diagramme des circuits électriques pour fauteuil releveur équipé de deux moteurs et d’un transformateur universel
Schema di cablaggio elettrico della poltrona elevabile con due motori e transformatore universale
Anschlussdiagramm für Aufrichtestuhle mit Doppelmotoren und Universaltransformator
Electrisch bedradingsscema voor sta-op stoelen met twee motoren en een universele transformator
POWER LEAD
CORDON ELECTRIQUE
CAVO DI ALIMENTAZIONE

Table of Contents

Related product manuals