EasyManua.ls Logo

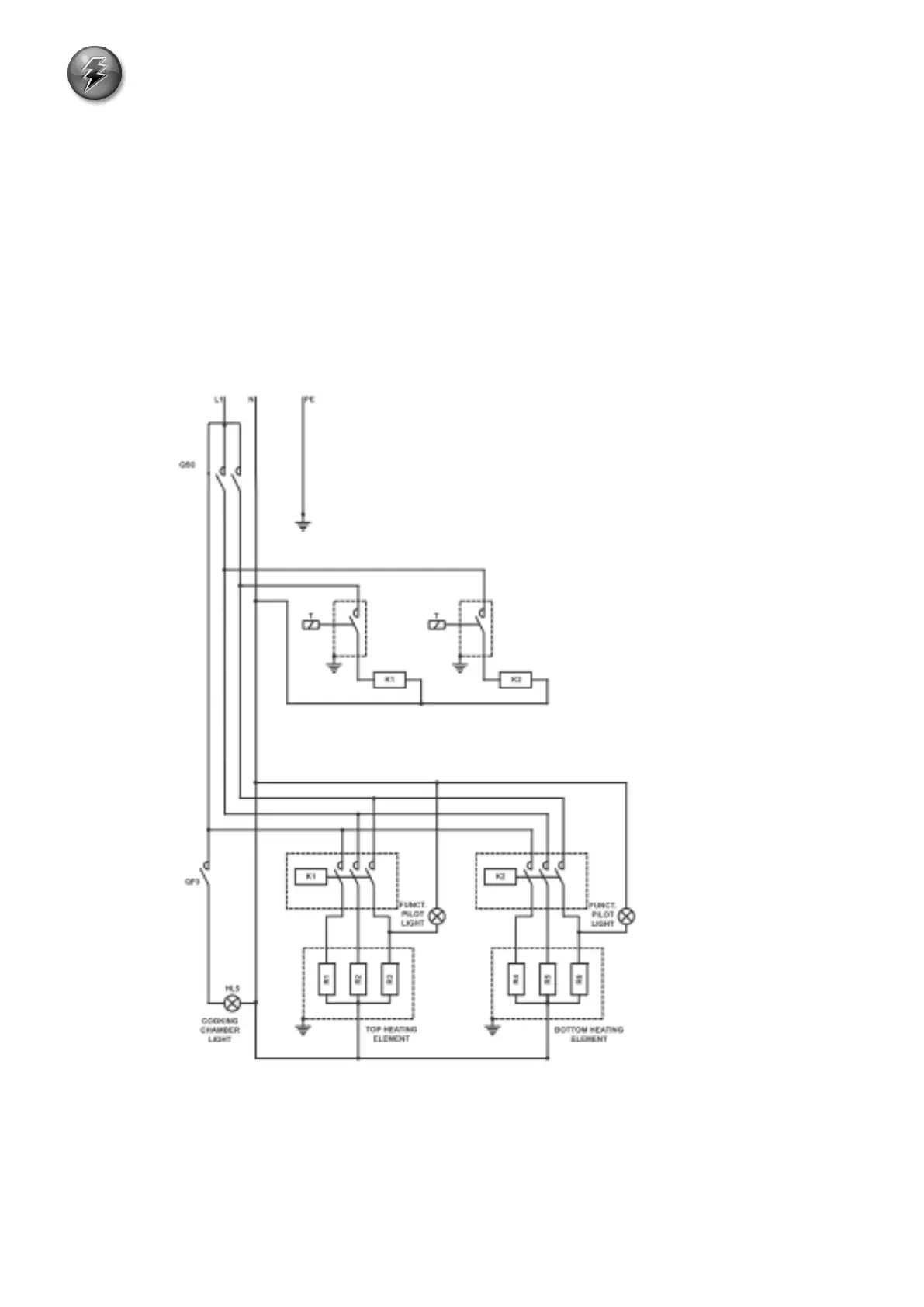
Prismafood BASIC XL 44 - Wiring Diagram: BASIC;XL 6-66, XL 9-99 (230 V, Three-Phase)

Default Icon
25 pages
Print Icon
To Next Page IconTo Next Page
To Next Page IconTo Next Page
To Previous Page IconTo Previous Page
To Previous Page IconTo Previous Page
Loading...
22
9 ELECTRIC EQUIPMENT
MOD. BASIC 6-66
MOD. BASIC XL 6-66
MOD. BASIC XL 6L-66L
MOD. BASIC XL 9-99
230 V (for one chamber)

Related product manuals