EasyManua.ls Logo

Pro-face PFXGP4601TAD - Page 60

Pro-face PFXGP4601TAD
241 pages
Print Icon
To Next Page IconTo Next Page
To Next Page IconTo Next Page
To Previous Page IconTo Previous Page
To Previous Page IconTo Previous Page
Loading...
Specifications
60
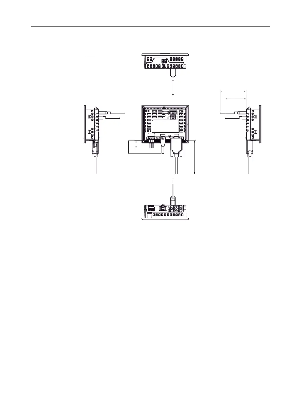
Dimensions with Cables: GP-4201T
1 Left Side
2 Rear
3 Right Side
4 Top
5 Bottom
NOTE: All the above values are designed with cable bending in mind. The
dimensions given here are representative values depending on the type of
connection cable in use. Therefore, these values are intended for reference only.
73
(1) (2)
(5)
(4)
(3)
59
94
21
36
mm
in.
2.87
1.42
2.32
0.83
3.70

Table of Contents

Related product manuals