EasyManua.ls Logo

Pro's Kit MT-1510 - Page 18

Pro's Kit MT-1510
32 pages
Print Icon
To Next Page IconTo Next Page
To Next Page IconTo Next Page
To Previous Page IconTo Previous Page
To Previous Page IconTo Previous Page
Loading...
17
儀錶紅、黃指示燈閃爍,同時蜂鳴器急促鳴叫,表示被測電線火線有交流電壓。
警告:不要只靠非接觸測電判定導體是否帶電。否則可能有觸電危險!
判定零線、火線:長按“NCV”鍵並保持,用單只紅色表筆插入帶電插座或觸碰帶電電線,蜂鳴器
急促鳴叫,紅、黃指示燈閃爍,表示表筆接觸的是火線,反之,則是零線。
警告:判定火線時,只能一隻表筆插在儀錶上,否則可能有觸電危險!
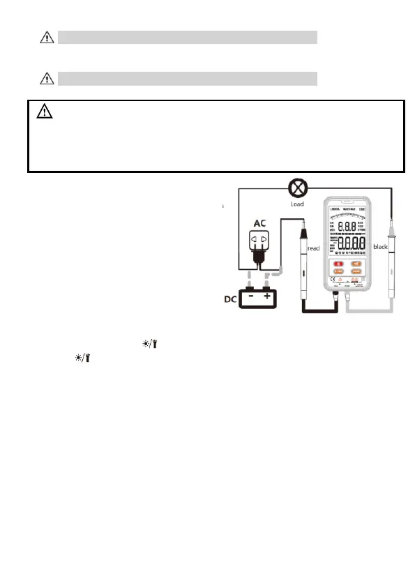
7.4 直、交流電流測量
當開路電壓對地之間的電壓超過 250V 時,切勿嘗試在電路上進行電流測量。如果測量時保
險管被燒斷,可能會損壞儀錶或造成人身傷害。
為避免儀錶或被測設備的損壞, 進行電流測量以前,請先檢查儀錶的保險管測量時,應使
正確的輸入插座。當測試筆被插在電流輸入插座上的時候,切勿把測試筆另一端並聯跨接
任何電路上。
按電源開關鍵,開機。
紅表筆插入 10A 測量插座,黑表筆插入
COM 測量插座。
斷開待測的負載電路。把黑色測試筆連接
到被斷開的電路(其電壓比較低)的一端,
把紅色測試筆連接到被斷開的電路(其電
壓比較高)的一端。
接上電路電源,然後讀出顯示讀數,儀錶
自動識別測量直流或交流電流。
因電流測量需要斷開電路,存在不安全因
高於安全電壓36V電路電流測量,
建議使用鉗型電錶測量。
7.5 背光、輔助照明:短按 鍵,開啟背光,約 15 秒後自動關閉或再按下手動關閉。
長按 鍵,開啟 LED 照明和背光,約 15 秒後自動關閉或再按下手動關閉。
7.6 自動關機:使用過程中, 10 分鐘無任何操作,儀錶蜂鳴器會“嘀——嘀——嘀”提醒,然後
自動關機。關機後,可重新按開機鍵開機。
8. 通用技術指標
使用環境條件:
IEC/EN 61010-1 600V CAT II,污染等級 2
海拔高度:< 2000 m
工作環境溫濕度:0~40℃(<80% RH<10℃時不考慮)
儲存環境溫濕度:-10~60℃(<70% RH, 取掉電池)
溫度係數:0.1準確度/
測量端和地之間允許的最大電壓:600V 直流或交流有效值
採樣速率: 3 /秒。
顯示:3 5/6 位液晶顯示幕
超量程指示:液晶顯示器顯示“OL ”或“Auto”。

Related product manuals