EasyManua.ls Logo

Prochem Comanche - Pump Group

Prochem Comanche
31 pages
Print Icon
To Next Page IconTo Next Page
To Next Page IconTo Next Page
To Previous Page IconTo Previous Page
To Previous Page IconTo Previous Page
Loading...
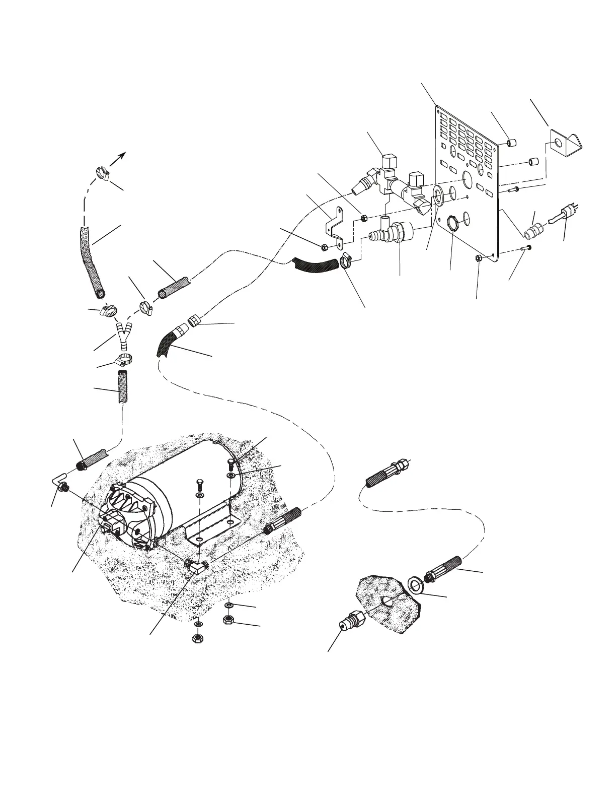
PUMP GROUP
COMANCHE 86038910 08/28/13
5-5
24
7
19
26
1
1
17
18
27
20
22
21
1
1
5
3
4
2
1
6
11
13
12
9
10
9
14
8
TO SOLUTION TANK
10
(A)
17
23
22
15
16
(A)
1
28