EasyManua.ls Logo

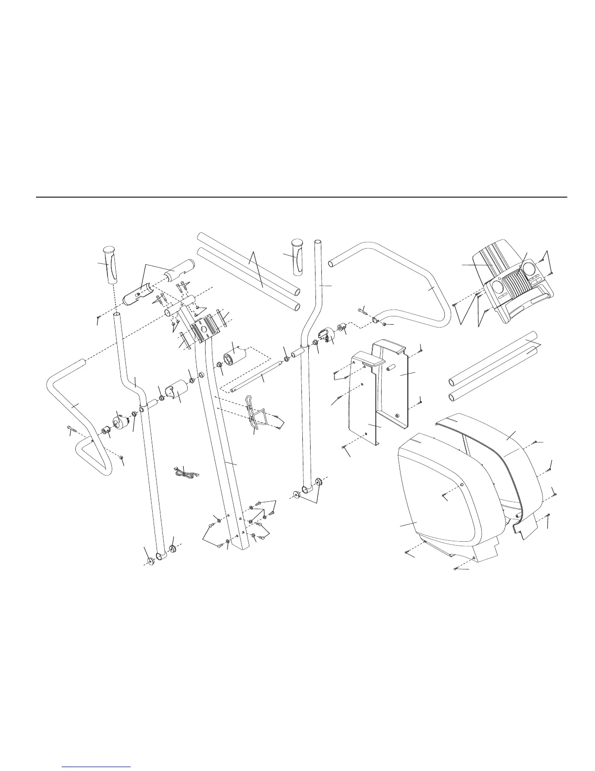
ProForm PFEL5055 - Exploded Drawing

ProForm PFEL5055
20 pages
Print Icon
To Next Page IconTo Next Page
To Next Page IconTo Next Page
To Previous Page IconTo Previous Page
To Previous Page IconTo Previous Page
Loading...
18
17
13
13
94
2
26
26
19
18
15
94
94
94
48
94
94
16
30
50
13
24
29
14
14
29
23
48
13
12
12
12
3
73
73
73
73
49
49
49
23
14
14
14
14
85
81
85
81
80
80
69
47
31
25
70
31
47
22
21
94
77
91
94
81
81
95
95
91
EXPLODED DRAWING A—Model No. PFEL5055.0 R0506A

Related product manuals