EasyManua.ls Logo

Progress Lighting AirPro P250000 - Page 26

Progress Lighting AirPro P250000
51 pages
Print Icon
To Next Page IconTo Next Page
To Next Page IconTo Next Page
To Previous Page IconTo Previous Page
To Previous Page IconTo Previous Page
Loading...
6.
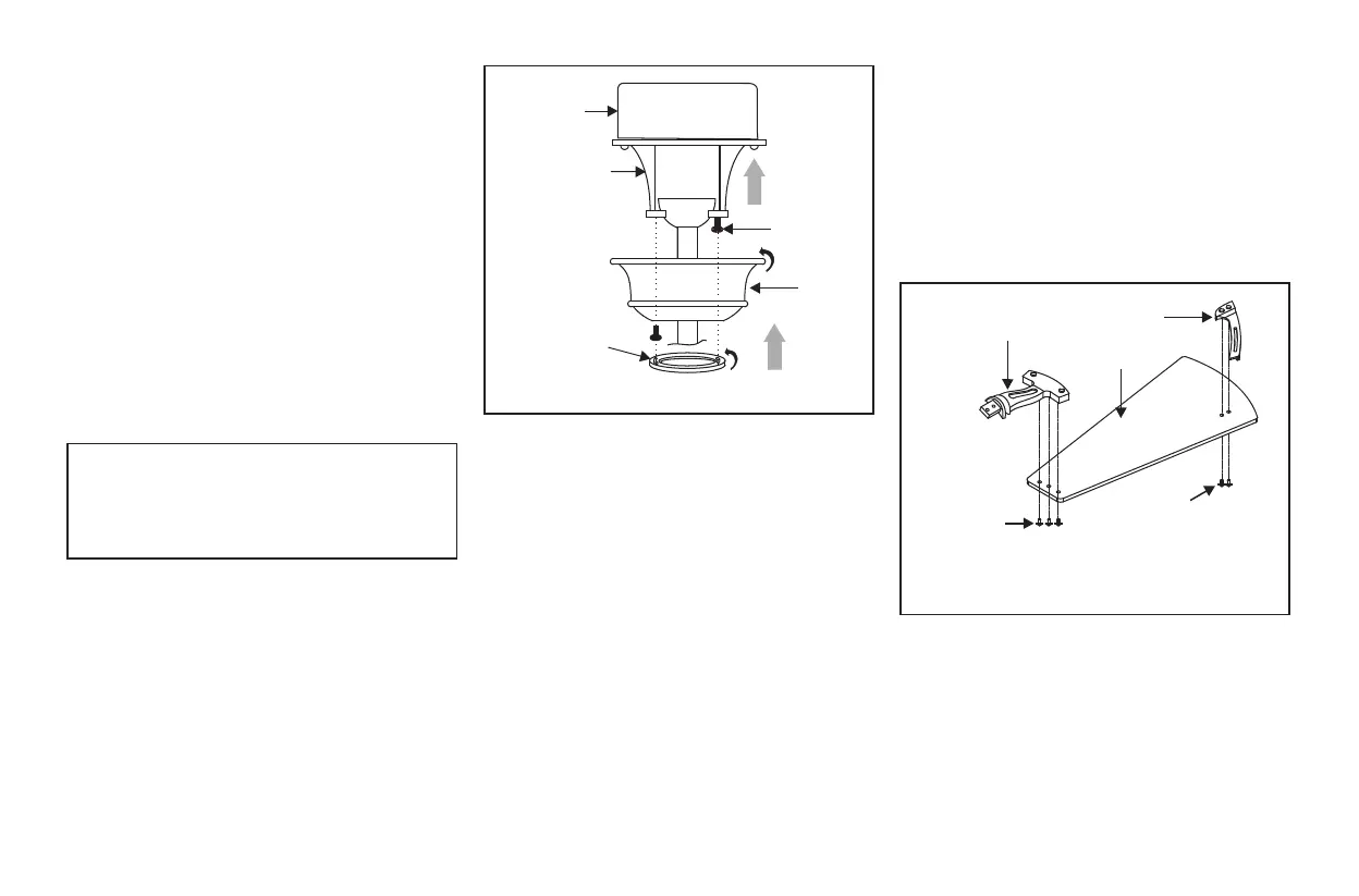
Achèvement de l’installation
Étape 1. Placez les branchements bien proprement
dans la boîte de sortie du plafond.
Étape 2. Remontez le pavillon par-dessus le support de
fixation et placez le trou de serrure dans le pavillon
par-dessus la vis du support de fixation, puis tournez le
pavillon jusqu’à ce qu’il s’insère en place dans la
section étroite des trous de serrure. (Fig. 9)
Étape 3. Alignez le trou circulaire sur le pavillon avec
le trou restant sur le support de fixation et fixez en
serrant les deux vis de serrage. Remarque : Réglez les
vis du pavillon au besoin jusqu’à ce que le pavillon et
le couvercle du pavillon soient bien serrés.
Fixation des pales du
ventilateur
Fixation des pales aux bras des pales
Étape 1. Fixez les pales aux bras des pales à l’aide
des trois vis de fixation des pales (3/16 po x 10 mm)
et des rondelles en fibre.
Étape 2. Répétez l’opération avec les deux vis de
fixation et rondelles en fibre restantes.
Étape 3. Serrez chaque vis solidement en
commençant par la vis du centre.
Étape 4. Fixez les supports des tiges décoratives
aux pales à l’aide des deux vis de fixation des
supports de tige (3/16 po x 15 mm) et des rondelles
en fibre.
Étape 5. Serrez chaque vis fermement et
assurez-vous que la pale est droite
Étape 6. Répétez ces étapes pour les pales restantes.
ADVERTISSEMENT
Vous assurer que l’entaille dans le support de
suspension repose correctement dans la rainure de
la boule avant de fixer le pavillon au support en
tournant le boîtier jusqu’à ce qu’il s’insère en place.
Boîte de sortie
Couvercle
du pavillon
Pavillon
Support
de suspension
Figure 9
Vis
Figure 10
Vis de fixation
des pales
(3/16 po x 10 mm)
et rondelles en fibre
Pales
Bras de pale
Supports de
tige décorative
Vis des supports
de tige décorative
(3/16 po x 15 mm)
et rondelles en fibre

Related product manuals